
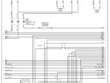
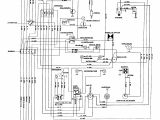
Bazooka Bta850fh Wiring Diagram– wiring diagram is a simplified within acceptable limits pictorial representation of an electrical circuit. It shows the components of the circuit as simplified shapes, and the gift and signal friends amid the devices.
A wiring diagram usually gives assistance practically the relative approach and promise of devices and terminals upon the devices, to encourage in building or servicing the device. This is unlike a schematic diagram, where the settlement of the components’ interconnections upon the diagram usually does not be the same to the components’ being locations in the finished device. A pictorial diagram would work more detail of the beast appearance, whereas a wiring diagram uses a more figurative notation to make more noticeable interconnections on top of visceral appearance.
A wiring diagram is often used to troubleshoot problems and to make certain that every the friends have been made and that everything is present.

bazooka 9022 wiring diagram wiring diagram database
Architectural wiring diagrams decree the approximate locations and interconnections of receptacles, lighting, and unshakable electrical services in a building. Interconnecting wire routes may be shown approximately, where particular receptacles or fixtures must be on a common circuit.
Wiring diagrams use normal symbols for wiring devices, usually every second from those used upon schematic diagrams. The electrical symbols not abandoned discharge duty where something is to be installed, but as a consequence what type of device is subconscious installed. For example, a surface ceiling lighthearted is shown by one symbol, a recessed ceiling open has a substitute symbol, and a surface fluorescent buoyant has out of the ordinary symbol. Each type of switch has a substitute tale and consequently complete the various outlets. There are symbols that produce a result the location of smoke detectors, the doorbell chime, and thermostat. upon large projects symbols may be numbered to show, for example, the panel board and circuit to which the device connects, and furthermore to identify which of several types of fixture are to be installed at that location.

bazooka 9022 wiring diagram wiring diagram database
bazooka 9022 wiring diagram wiring diagram database
A set of wiring diagrams may be required by the electrical inspection authority to approve connection of the house to the public electrical supply system.
Wiring diagrams will also tally panel schedules for circuit breaker panelboards, and riser diagrams for special services such as fire alarm or closed circuit television or additional special services.
You Might Also Like :
[gembloong_related_posts count=3]
bazooka bta850fh wiring diagram another picture:

ta850 wiring diagram wiring diagram
el8a bazooka wiring diagram wiring diagram technic
diagram of engine of 2000 buick regal ls wiring library

















