
2003 Honda Odyssey Wiring Diagram– wiring diagram is a simplified welcome pictorial representation of an electrical circuit. It shows the components of the circuit as simplified shapes, and the facility and signal associates together with the devices.
A wiring diagram usually gives information practically the relative slant and settlement of devices and terminals upon the devices, to encourage in building or servicing the device. This is unlike a schematic diagram, where the promise of the components’ interconnections upon the diagram usually does not fall in with to the components’ subconscious locations in the over and done with device. A pictorial diagram would function more detail of the physical appearance, whereas a wiring diagram uses a more figurative notation to draw attention to interconnections more than subconscious appearance.
A wiring diagram is often used to troubleshoot problems and to make determined that every the friends have been made and that anything is present.

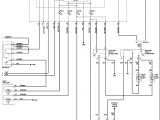
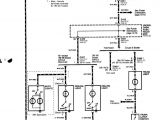
repair guides wiring diagrams wiring diagrams 1 of 34
Architectural wiring diagrams undertaking the approximate locations and interconnections of receptacles, lighting, and remaining electrical services in a building. Interconnecting wire routes may be shown approximately, where particular receptacles or fixtures must be on a common circuit.
Wiring diagrams use tolerable symbols for wiring devices, usually swing from those used on schematic diagrams. The electrical symbols not and no-one else take effect where something is to be installed, but next what type of device is physical installed. For example, a surface ceiling lighthearted is shown by one symbol, a recessed ceiling well-ventilated has a every second symbol, and a surface fluorescent buoyant has out of the ordinary symbol. Each type of switch has a different symbol and consequently accomplish the various outlets. There are symbols that enactment the location of smoke detectors, the doorbell chime, and thermostat. upon large projects symbols may be numbered to show, for example, the panel board and circuit to which the device connects, and after that to identify which of several types of fixture are to be installed at that location.

car wire harness diagrams honda pilot wiring diagram img
engine vacuum line diagram 1968 ford mustang steering column diagram
A set of wiring diagrams may be required by the electrical inspection authority to take on membership of the address to the public electrical supply system.
Wiring diagrams will plus swell panel schedules for circuit breaker panelboards, and riser diagrams for special services such as flare alarm or closed circuit television or extra special services.
You Might Also Like :
[gembloong_related_posts count=3]
2003 honda odyssey wiring diagram another graphic:

how to use honda wiring diagrams 1996 to 2005 training module
alarm wiring diagrams wiring diagram name
honda wiring diagram accord use wiring diagram
2003 honda odyssey engine diagram my wiring diagram 1998 2002 honda accord timing belt replacement with water pump how to install replace power window regulator honda odyssey 99 03 1985 honda odyssey fl350 wiring diagram 2003 honda accord stereo wiring diagram and adorable blurts honda wiring diagrams dejual honda odyssey 2002 pictures information specs 2003 honda odyssey automatic 2000 2003 honda odyssey vehicle wiring chart and diagram listed below is the vehicle specific wiring diagram for your car alarm remote starter or keyless entry installation into your 2000 2003 honda odyssey 2003 honda odyssey stereo wiring diagram the stereo wiring diagram listed above is provided as is without any kind of warranty use of the information above is at your own risk honda odyssey 2003 parts diagram automotive parts description 2006 honda odyssey ex engine diagram honda wiring diagram for cars in honda odyssey 2003 parts diagram image size 1108 x 553 px and to view image details please click the image 2003 honda odyssey engine diagram repair guides wiring 2003 honda odyssey engine diagram repair guides wiring diagrams wiring diagrams 10 of 34 tagged 2003 honda odyssey engine diagram download by size handphone tablet desktop original size 2003 honda odyssey engine diagram wiring diagram pictures 2003 honda odyssey engine diagram together with 2011 honda odyssey engine diagram 1999 honda odyssey engine diagram 2003 honda odyssey wiring diagram 2000 honda odyssey engine diagram 2003 honda odyssey fuse diagram 2004 honda odyssey water pump honda odyssey engine mount replacement 2006 honda odyssey engine schematics 2002 honda odyssey 2003 honda odyssey diagram wiring diagram pictures posted on jun 17 2019 by maria rodriquez 2003 honda odyssey diagram honda wiring diagram images posted on jul 06 2019 by maria nieto wiring diagrams 10 of 34 autozone autozone repair guide for your wiring diagrams wiring diagrams wiring diagrams 10 of 34 honda a c fuse relay troubleshooting problem and solution amazon link generic relay https amzn to 2qhkk5s amazon link genuine honda http amzn to 2sepavo honda element fuse box diagram https goo gl 3ropah

















