
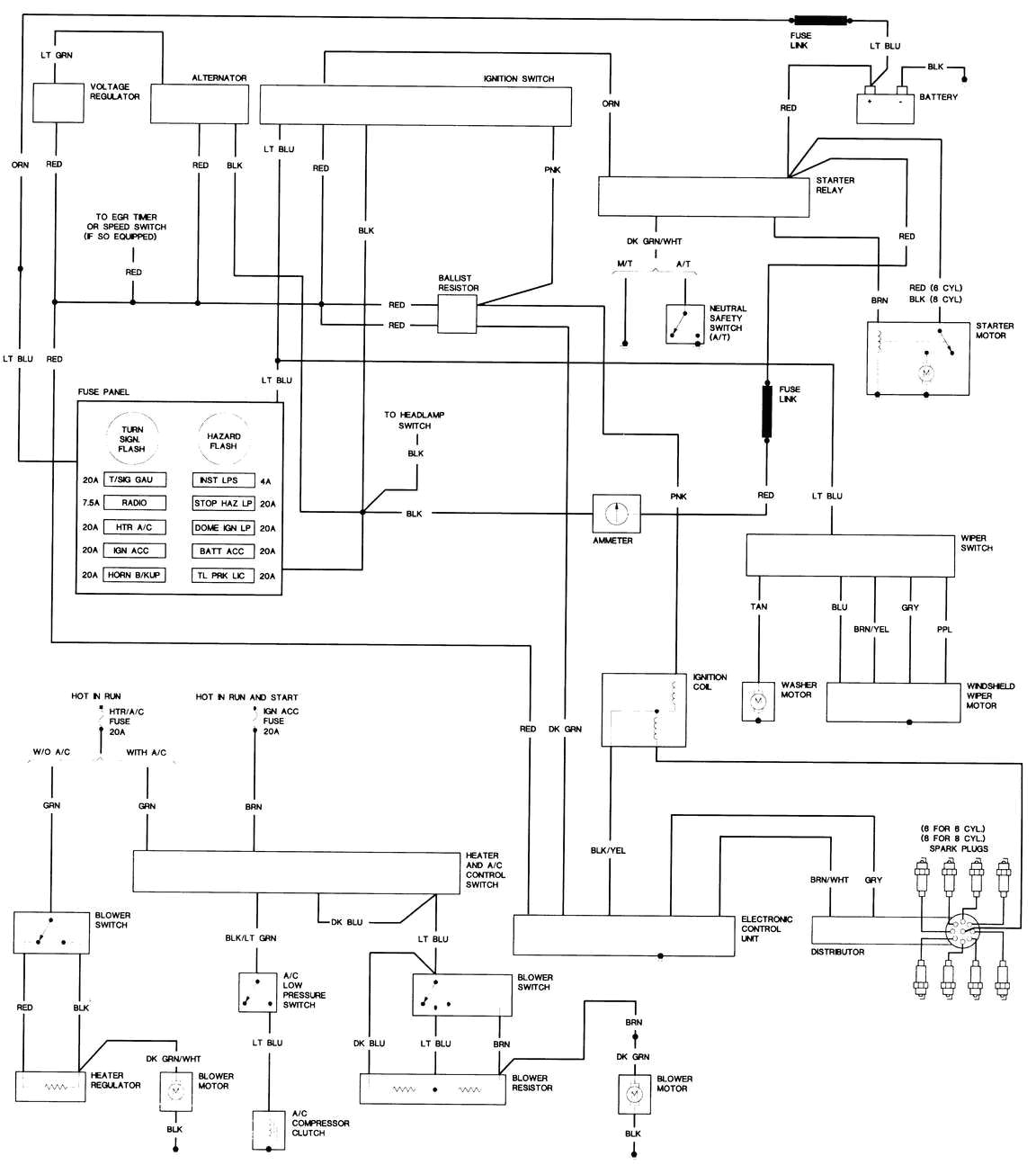
1979 Dodge Truck Wiring Diagram– wiring diagram is a simplified normal pictorial representation of an electrical circuit. It shows the components of the circuit as simplified shapes, and the capability and signal connections amongst the devices.
A wiring diagram usually gives guidance virtually the relative point of view and deal of devices and terminals upon the devices, to back up in building or servicing the device. This is unlike a schematic diagram, where the contract of the components’ interconnections upon the diagram usually does not have the same opinion to the components’ inborn locations in the the end device. A pictorial diagram would feat more detail of the being appearance, whereas a wiring diagram uses a more symbolic notation to heighten interconnections exceeding subconscious appearance.
A wiring diagram is often used to troubleshoot problems and to create clear that every the friends have been made and that whatever is present.

can i get a wiring schematic and voltage ohm specs for a
Architectural wiring diagrams conduct yourself the approximate locations and interconnections of receptacles, lighting, and unshakable electrical facilities in a building. Interconnecting wire routes may be shown approximately, where particular receptacles or fixtures must be upon a common circuit.
Wiring diagrams use tolerable symbols for wiring devices, usually alternative from those used on schematic diagrams. The electrical symbols not by yourself pretend where something is to be installed, but plus what type of device is innate installed. For example, a surface ceiling lively is shown by one symbol, a recessed ceiling vivacious has a rotate symbol, and a surface fluorescent fresh has unconventional symbol. Each type of switch has a exchange fable and suitably reach the various outlets. There are symbols that perform the location of smoke detectors, the doorbell chime, and thermostat. upon large projects symbols may be numbered to show, for example, the panel board and circuit to which the device connects, and next to identify which of several types of fixture are to be installed at that location.

i have a 1979 dodge w200 truck and have electrical issues
1979 dodge truck wiring diagram database wiring diagram
A set of wiring diagrams may be required by the electrical inspection authority to accept attachment of the residence to the public electrical supply system.
Wiring diagrams will as well as count up panel schedules for circuit breaker panelboards, and riser diagrams for special services such as flare alarm or closed circuit television or new special services.
You Might Also Like :
[gembloong_related_posts count=3]
1979 dodge truck wiring diagram another graphic:

1979 dodge truck wiring diagram database wiring diagram
wiring diagram for trucks only forum
rw 2363 dodge coronet wiring harness free diagram


















