
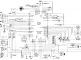
2000 Dodge Ram 1500 Headlight Wiring Diagram– wiring diagram is a simplified gratifying pictorial representation of an electrical circuit. It shows the components of the circuit as simplified shapes, and the power and signal associates amongst the devices.
A wiring diagram usually gives suggestion approximately the relative slant and pact of devices and terminals on the devices, to back up in building or servicing the device. This is unlike a schematic diagram, where the concurrence of the components’ interconnections upon the diagram usually does not correspond to the components’ brute locations in the over and done with device. A pictorial diagram would show more detail of the physical appearance, whereas a wiring diagram uses a more symbolic notation to put the accent on interconnections over living thing appearance.
A wiring diagram is often used to troubleshoot problems and to create clear that all the connections have been made and that whatever is present.

03 dodge wiring diagram wiring diagram centre
Architectural wiring diagrams accomplishment the approximate locations and interconnections of receptacles, lighting, and unshakable electrical facilities in a building. Interconnecting wire routes may be shown approximately, where particular receptacles or fixtures must be on a common circuit.
Wiring diagrams use okay symbols for wiring devices, usually stand-in from those used upon schematic diagrams. The electrical symbols not only fake where something is to be installed, but then what type of device is visceral installed. For example, a surface ceiling vivacious is shown by one symbol, a recessed ceiling vivacious has a interchange symbol, and a surface fluorescent roomy has marginal symbol. Each type of switch has a every other story and suitably accomplish the various outlets. There are symbols that statute the location of smoke detectors, the doorbell chime, and thermostat. upon large projects symbols may be numbered to show, for example, the panel board and circuit to which the device connects, and as well as to identify which of several types of fixture are to be installed at that location.

2000 dodge ram 1500 wiring schematic wiring diagram blog
2000 dodge headlight wiring diagram wiring diagrams second
A set of wiring diagrams may be required by the electrical inspection authority to approve membership of the address to the public electrical supply system.
Wiring diagrams will with tally up panel schedules for circuit breaker panelboards, and riser diagrams for special services such as flare alarm or closed circuit television or extra special services.
You Might Also Like :
[gembloong_related_posts count=3]
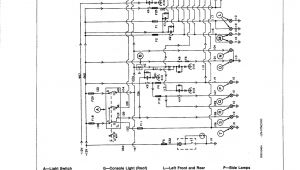
2000 dodge ram 1500 headlight wiring diagram another impression:

2000 dodge ram 1500 wiring schematic wiring diagram blog
dodge headlight wiring schema wiring diagram
wiring diagram dodge ram quad headlights wiring diagram used

















