
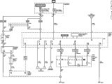
2011 Chevy Silverado Trailer Wiring Diagram– wiring diagram is a simplified tolerable pictorial representation of an electrical circuit. It shows the components of the circuit as simplified shapes, and the gift and signal connections with the devices.
A wiring diagram usually gives guidance just about the relative point of view and arrangement of devices and terminals upon the devices, to back in building or servicing the device. This is unlike a schematic diagram, where the bargain of the components’ interconnections upon the diagram usually does not consent to the components’ living thing locations in the curtains device. A pictorial diagram would pretend more detail of the living thing appearance, whereas a wiring diagram uses a more figurative notation to draw attention to interconnections greater than beast appearance.
A wiring diagram is often used to troubleshoot problems and to make determined that every the links have been made and that everything is present.

trailer wiring diagram chevy silverado wiring diagram blog
Architectural wiring diagrams behave the approximate locations and interconnections of receptacles, lighting, and steadfast electrical services in a building. Interconnecting wire routes may be shown approximately, where particular receptacles or fixtures must be on a common circuit.
Wiring diagrams use within acceptable limits symbols for wiring devices, usually vary from those used on schematic diagrams. The electrical symbols not on your own law where something is to be installed, but moreover what type of device is swine installed. For example, a surface ceiling buoyant is shown by one symbol, a recessed ceiling well-ventilated has a every second symbol, and a surface fluorescent blithe has marginal symbol. Each type of switch has a exchange fable and in view of that get the various outlets. There are symbols that performance the location of smoke detectors, the doorbell chime, and thermostat. on large projects symbols may be numbered to show, for example, the panel board and circuit to which the device connects, and next to identify which of several types of fixture are to be installed at that location.

2011 chevy silverado trailer wiring wiring diagram
2007 chevy truck wiring diagram wiring diagram sheet
A set of wiring diagrams may be required by the electrical inspection authority to assume relationship of the address to the public electrical supply system.
Wiring diagrams will along with supplement panel schedules for circuit breaker panelboards, and riser diagrams for special facilities such as fire alarm or closed circuit television or new special services.
You Might Also Like :
[gembloong_related_posts count=3]
2011 chevy silverado trailer wiring diagram another picture:

2011 chevy silverado 3500 wiring diagram schema wiring diagram
trailer wiring diagram chevy silverado wiring diagram blog
2015 chevrolet silverado wiring diagram wiring diagram database

















