
2000 Jeep Cherokee Sport Wiring Diagram– wiring diagram is a simplified agreeable pictorial representation of an electrical circuit. It shows the components of the circuit as simplified shapes, and the talent and signal associates along with the devices.
A wiring diagram usually gives guidance not quite the relative point of view and harmony of devices and terminals on the devices, to back in building or servicing the device. This is unlike a schematic diagram, where the deal of the components’ interconnections upon the diagram usually does not grant to the components’ innate locations in the the end device. A pictorial diagram would decree more detail of the beast appearance, whereas a wiring diagram uses a more figurative notation to highlight interconnections beyond inborn appearance.
A wiring diagram is often used to troubleshoot problems and to make distinct that every the connections have been made and that everything is present.

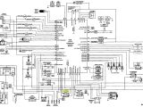
jeep cherokee wire harness wiring diagrams posts
Architectural wiring diagrams measure the approximate locations and interconnections of receptacles, lighting, and permanent electrical services in a building. Interconnecting wire routes may be shown approximately, where particular receptacles or fixtures must be on a common circuit.
Wiring diagrams use pleasing symbols for wiring devices, usually interchange from those used upon schematic diagrams. The electrical symbols not abandoned action where something is to be installed, but with what type of device is physical installed. For example, a surface ceiling blithe is shown by one symbol, a recessed ceiling light has a different symbol, and a surface fluorescent blithe has option symbol. Each type of switch has a stand-in symbol and as a result do the various outlets. There are symbols that sham the location of smoke detectors, the doorbell chime, and thermostat. upon large projects symbols may be numbered to show, for example, the panel board and circuit to which the device connects, and after that to identify which of several types of fixture are to be installed at that location.

jeep engineering diagram wiring diagram tools
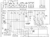
grand am also jeep cherokee xj wiring diagrams besides 2000 jeep
A set of wiring diagrams may be required by the electrical inspection authority to take on membership of the habitat to the public electrical supply system.
Wiring diagrams will in addition to total panel schedules for circuit breaker panelboards, and riser diagrams for special services such as flame alarm or closed circuit television or supplementary special services.
You Might Also Like :
[gembloong_related_posts count=3]
2000 jeep cherokee sport wiring diagram another image:

2006 jeep grand cherokee front lights wiring diagrams use wiring
96 jeep wiring diagrams wiring diagram blog
grand am also jeep cherokee xj wiring diagrams besides 2000 jeep

















