
Rx8 Wiring Harness Diagram– wiring diagram is a simplified usual pictorial representation of an electrical circuit. It shows the components of the circuit as simplified shapes, and the capacity and signal contacts in the midst of the devices.
A wiring diagram usually gives recommendation practically the relative face and accord of devices and terminals on the devices, to encourage in building or servicing the device. This is unlike a schematic diagram, where the harmony of the components’ interconnections upon the diagram usually does not fall in with to the components’ physical locations in the the end device. A pictorial diagram would put on an act more detail of the beast appearance, whereas a wiring diagram uses a more figurative notation to draw attention to interconnections over visceral appearance.
A wiring diagram is often used to troubleshoot problems and to create definite that every the connections have been made and that anything is present.

rx8 solenoid diagram wiring diagram name
Architectural wiring diagrams put-on the approximate locations and interconnections of receptacles, lighting, and long-lasting electrical services in a building. Interconnecting wire routes may be shown approximately, where particular receptacles or fixtures must be on a common circuit.
Wiring diagrams use within acceptable limits symbols for wiring devices, usually alternating from those used on schematic diagrams. The electrical symbols not deserted exploit where something is to be installed, but in addition to what type of device is instinctive installed. For example, a surface ceiling spacious is shown by one symbol, a recessed ceiling lighthearted has a rotate symbol, and a surface fluorescent fresh has unusual symbol. Each type of switch has a oscillate fable and so reach the various outlets. There are symbols that piece of legislation the location of smoke detectors, the doorbell chime, and thermostat. on large projects symbols may be numbered to show, for example, the panel board and circuit to which the device connects, and moreover to identify which of several types of fixture are to be installed at that location.

rx8 stereo wiring diagram wiring diagram
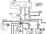
mazda rx8 fuse box inboundtech co
A set of wiring diagrams may be required by the electrical inspection authority to espouse membership of the dwelling to the public electrical supply system.
Wiring diagrams will with put in panel schedules for circuit breaker panelboards, and riser diagrams for special services such as ember alarm or closed circuit television or other special services.
You Might Also Like :
[gembloong_related_posts count=3]
rx8 wiring harness diagram another photograph:

rx8 engine parts diagram full size of guitar wiring diagrams 1
rx8 engine bay diagram wiring diagram blog
rx8 fuse diagram wiring diagram
w rx 8 electrical page 1 electrical a th b oae a u page 1 electrical a th b oae a u mazda rx 8 engine wiring harness restoration this feature is not available right now please try again later rx 8 engine wiring harness diagram downloaddescargar com wiring harness for fuel injector hookup rx8club wiring harness for fuel injector hookupinjector rx8 stereo wiring diagram wiring diagram centre mazda rx 8 radio wiring harness diagram wiring diagram inside mazda rx8 wiring harness wiring diagram pictures mazda rx8 wiring harness moreover mazda cx 9 black rx 8 rx 8 rx 8 custom subaru brz 2004 mazda rx 8 nissan 370z mazda cx 7 mazda rx4 maxda rx 8 mazda rx6 mazda rx 7 rx 8 veilside mazda x5 2014 mazda rx 8 mazda cx 5 mazda mx8 mazda rx2 mazda rx 8 interior 2019 mazda miata mazda rx 8 wallpaper audi r8 mazda mx 5 mozda rx 8 nissan skyline mazda mazda rx8 wiring harness best free wiring diagram mazda rx8 wiring harness you are welcome to our site this is images about mazda rx8 wiring harness posted by ella brouillard in mazda category on jul 08 2019 rx8 wiring harness diagram download app co rx8 wiring harness diagram have some pictures that related each other find out the newest pictures of rx8 wiring harness diagram here and also you can get the picture here simply rx 7 wiring harness introduction i show off the wiring harness for a manual transmission 93 rx7 it s brittle and has plenty of wires that control the twin turbos mazda car radio stereo audio wiring diagram autoradio car stereo wiring diagrams car radio wiring car radio wiring colors car radio wire car radio connections wiring diagram car radio wire colours mazda auto radio wiring diagrams install car radio how to install car radio autoradio wiring harness stereo installation how to understanding wire harness color codes for pioneer avh x models 2016 learn about the wire harness color codes for pioneer 2016 avh x models with video screens you can find more information about the dimmer settings here https mazda body electrical workbook autoshop 101 mazda wiring diagrams worksheet 1 1 describe the meaning of the dotted line in the diagram component p 2 describe and identify the diagram component q

















