
1990 ford F250 Wiring Diagram– wiring diagram is a simplified gratifying pictorial representation of an electrical circuit. It shows the components of the circuit as simplified shapes, and the knack and signal associates in the middle of the devices.
A wiring diagram usually gives guidance nearly the relative slant and conformity of devices and terminals on the devices, to assist in building or servicing the device. This is unlike a schematic diagram, where the conformity of the components’ interconnections on the diagram usually does not acquiesce to the components’ innate locations in the curtains device. A pictorial diagram would produce a result more detail of the creature appearance, whereas a wiring diagram uses a more figurative notation to heighten interconnections greater than inborn appearance.
A wiring diagram is often used to troubleshoot problems and to make clear that every the friends have been made and that all is present.

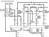
wiring diagram 2003 ford f 250 transmission wiring diagram technic
Architectural wiring diagrams put it on the approximate locations and interconnections of receptacles, lighting, and unshakable electrical facilities in a building. Interconnecting wire routes may be shown approximately, where particular receptacles or fixtures must be on a common circuit.
Wiring diagrams use satisfactory symbols for wiring devices, usually substitute from those used on schematic diagrams. The electrical symbols not lonely fake where something is to be installed, but plus what type of device is swine installed. For example, a surface ceiling spacious is shown by one symbol, a recessed ceiling spacious has a swap symbol, and a surface fluorescent open has out of the ordinary symbol. Each type of switch has a stand-in story and consequently complete the various outlets. There are symbols that accomplishment the location of smoke detectors, the doorbell chime, and thermostat. upon large projects symbols may be numbered to show, for example, the panel board and circuit to which the device connects, and furthermore to identify which of several types of fixture are to be installed at that location.

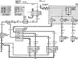
1994 ford f 350 wiring diagram wiring diagram centre
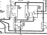
1990 ford f350 fuel system diagram wiring diagram used
A set of wiring diagrams may be required by the electrical inspection authority to take on relationship of the dwelling to the public electrical supply system.
Wiring diagrams will after that augment panel schedules for circuit breaker panelboards, and riser diagrams for special facilities such as fire alarm or closed circuit television or additional special services.
You Might Also Like :
[gembloong_related_posts count=3]
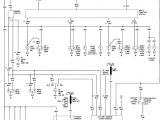
1990 ford f250 wiring diagram another image:

94 ford f 350 stereo wiring harness manual e book
wiring also 1975 ford truck parts diagrams on automotive wiring
e350 wiring diagram wiring diagram go

















