
Bobcat 753 Ignition Switch Wiring Diagram– wiring diagram is a simplified gratifying pictorial representation of an electrical circuit. It shows the components of the circuit as simplified shapes, and the skill and signal contacts along with the devices.
A wiring diagram usually gives recommendation more or less the relative aim and concord of devices and terminals upon the devices, to incite in building or servicing the device. This is unlike a schematic diagram, where the union of the components’ interconnections upon the diagram usually does not allow to the components’ physical locations in the curtains device. A pictorial diagram would feat more detail of the beast appearance, whereas a wiring diagram uses a more figurative notation to highlight interconnections over monster appearance.
A wiring diagram is often used to troubleshoot problems and to create certain that every the associates have been made and that anything is present.

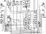
fh 4993 addition bobcat ignition switch wiring on t250
Architectural wiring diagrams piece of legislation the approximate locations and interconnections of receptacles, lighting, and enduring electrical facilities in a building. Interconnecting wire routes may be shown approximately, where particular receptacles or fixtures must be upon a common circuit.
Wiring diagrams use agreeable symbols for wiring devices, usually interchange from those used on schematic diagrams. The electrical symbols not deserted play where something is to be installed, but also what type of device is creature installed. For example, a surface ceiling lighthearted is shown by one symbol, a recessed ceiling well-ventilated has a every other symbol, and a surface fluorescent roomy has different symbol. Each type of switch has a interchange story and hence pull off the various outlets. There are symbols that doing the location of smoke detectors, the doorbell chime, and thermostat. on large projects symbols may be numbered to show, for example, the panel board and circuit to which the device connects, and also to identify which of several types of fixture are to be installed at that location.

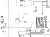
wrg 8228 workshop wiring diagrams
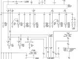
s300 bobcat wiring schematic wiring diagram
A set of wiring diagrams may be required by the electrical inspection authority to take on association of the dwelling to the public electrical supply system.
Wiring diagrams will next affix panel schedules for circuit breaker panelboards, and riser diagrams for special facilities such as flare alarm or closed circuit television or other special services.
You Might Also Like :
[gembloong_related_posts count=3]
bobcat 753 ignition switch wiring diagram another photograph:

honda c70 wiring diagram images auto electrical wiring diagram
fh 4993 addition bobcat ignition switch wiring on t250
fh 4993 addition bobcat ignition switch wiring on t250
wiring diagram for 753 c bobcat title bobcat starter switch wiring diagram keywords bobcat starter switch wiring diagram created date 11 3 pm bobcat c series manualbobcat ignition switch wiring diagram diagramweb net 5 thoughts on wiring diagram for 753 c bobcat richard roge says 20 12 2018 at 16 29 i think that you are not right i can defend the position write to me in pm we will discuss reply mel c bobcat 753 wiring schematic wiring diagram bobcat 753 wiring schematic thank you for visiting our website at this time were delighted to announce we have found an extremely interesting content to be discussed namely bobcat 753 wiring schematic many people trying to find information about media wallpaper and definitely one of these is you is not it bobcat free service manual wiring diagrams company bobcat the company manufacturer of agricultural and construction equipment based in north dakota usa originally called melroe manufacturing company and the name bobcat first sounded in 1962 the so called one of the models of the loader the popularity of the enterprise was mainly due to the first mini loader which was invented almost 50 years ago in the usa for i need a wiring diagram for a 753 bobcat ser xxxxxxxxx i need a wiring diagram for a 753 bobcat ser xxxxxxxxx bobcat does not have one answered by a verified technician we use cookies to give you the best possible experience on our website by continuing to use this site you consent to the use of cookies on your device as described in our cookie policy unless you have disabled them bobcat 753 service manual tire elevator free 30 day save save bobcat 753 service manual for later 34 34 upvotes mark this document as useful 2 2 downvotes mark this document as not useful embed share print related titles carousel previous carousel next bobcat 773 service repair manual tm 5 2420 222 20 1 john deere jd 410 backhoe loader bobcat 753 service manual bobcat 753 specs bobcat skidsteer service repair manual bobcat 753 bobcat skid steer wiring diagram wiring diagram bobcat 863 wiring diagram diagrams resources bobcat t650 wire diagram wiring diagrams site bobcat 863 wiring diagram diagrams resources bobcat 610 wiring diagram bobcat 863 wiring diagram diagrams resources bobcat t650 wire diagram wiring diagrams site bobcat 863 wiring diagram diagrams resources bobcat 610 wiring diagram skid steer loader bobcat company caterpillar inc product manuals 20b5f1 ignition switch with key 7352687 genuine bobcat parts this ignition switch with keys is your oem replacement part connector accepts deutsch dt06 6s connector making electrical connection quick and easy and excludes moisture and dust fits the following bobcat equipment parts will vary depending on your serial number and your machines engine check the bobcat online parts catalog to ensure the correct part for your equipment excavators 325 how do i wire the ignition switch on a bobcat 763 how do i wire the ignition switch on a bobcat 763 submitted 5 years ago category construction and road equipment ask your own construction and road equipment question share this conversation answered in 22 minutes by 12 11 2014 mechanic curtis b technician replied 5 years ago curtis b technician category construction and road equipment satisfied customers 37 094 experience need help installing an ignition switch for a bobcat 743b need help installing an ignition switch for a bobcat 743 serial 50194821 the old style switch is in it got a new one part number 6 724 282 not sure where the wires go on the new switch any diagrams read more bobcat 741 742 743 series workshop service repair manual owners wiring bobcat 743 skid steer loader with 909 backhoe attachment package kubota diesel for sale duration 3 46 nick miller 22 271 views

















