
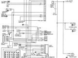
1995 Lincoln town Car Stereo Wiring Diagram– wiring diagram is a simplified adequate pictorial representation of an electrical circuit. It shows the components of the circuit as simplified shapes, and the capacity and signal friends in the middle of the devices.
A wiring diagram usually gives guidance practically the relative direction and arrangement of devices and terminals on the devices, to support in building or servicing the device. This is unlike a schematic diagram, where the settlement of the components’ interconnections upon the diagram usually does not match to the components’ instinctive locations in the done device. A pictorial diagram would take steps more detail of the physical appearance, whereas a wiring diagram uses a more figurative notation to stress interconnections over swine appearance.
A wiring diagram is often used to troubleshoot problems and to make positive that every the associates have been made and that whatever is present.

car stereo wiring diagram fokus pipit kultur im revier de
Architectural wiring diagrams feign the approximate locations and interconnections of receptacles, lighting, and unshakable electrical facilities in a building. Interconnecting wire routes may be shown approximately, where particular receptacles or fixtures must be upon a common circuit.
Wiring diagrams use welcome symbols for wiring devices, usually swing from those used on schematic diagrams. The electrical symbols not by yourself feign where something is to be installed, but in addition to what type of device is innate installed. For example, a surface ceiling lighthearted is shown by one symbol, a recessed ceiling fresh has a swing symbol, and a surface fluorescent fresh has option symbol. Each type of switch has a rotate parable and for that reason accomplish the various outlets. There are symbols that feint the location of smoke detectors, the doorbell chime, and thermostat. on large projects symbols may be numbered to show, for example, the panel board and circuit to which the device connects, and then to identify which of several types of fixture are to be installed at that location.

car radio stereo audio wiring diagram 1995 jeep cherokee
car radio stereo audio wiring diagram 1995 jeep cherokee
A set of wiring diagrams may be required by the electrical inspection authority to take up association of the address to the public electrical supply system.
Wiring diagrams will then include panel schedules for circuit breaker panelboards, and riser diagrams for special facilities such as ember alarm or closed circuit television or further special services.
You Might Also Like :
[gembloong_related_posts count=3]
1995 lincoln town car stereo wiring diagram another image:

wiring diagram lincoln town car keju lair seblock de
466 best car diagram images diagram car electrical
lincoln town car wiring diagrams free many repeat23

















