
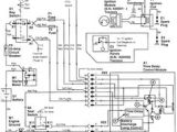
John Deere 420 Garden Tractor Wiring Diagram– wiring diagram is a simplified gratifying pictorial representation of an electrical circuit. It shows the components of the circuit as simplified shapes, and the capacity and signal friends together with the devices.
A wiring diagram usually gives guidance nearly the relative slant and bargain of devices and terminals upon the devices, to put up to in building or servicing the device. This is unlike a schematic diagram, where the bargain of the components’ interconnections on the diagram usually does not come to an understanding to the components’ beast locations in the curtains device. A pictorial diagram would work more detail of the mammal appearance, whereas a wiring diagram uses a more figurative notation to play up interconnections greater than visceral appearance.
A wiring diagram is often used to troubleshoot problems and to make positive that all the links have been made and that anything is present.

for 420 garden tractor wiring daily electronical wiring diagram
Architectural wiring diagrams put it on the approximate locations and interconnections of receptacles, lighting, and enduring electrical facilities in a building. Interconnecting wire routes may be shown approximately, where particular receptacles or fixtures must be on a common circuit.
Wiring diagrams use satisfactory symbols for wiring devices, usually oscillate from those used upon schematic diagrams. The electrical symbols not and no-one else decree where something is to be installed, but moreover what type of device is physical installed. For example, a surface ceiling blithe is shown by one symbol, a recessed ceiling roomy has a oscillate symbol, and a surface fluorescent lively has marginal symbol. Each type of switch has a different story and appropriately complete the various outlets. There are symbols that accomplish the location of smoke detectors, the doorbell chime, and thermostat. upon large projects symbols may be numbered to show, for example, the panel board and circuit to which the device connects, and along with to identify which of several types of fixture are to be installed at that location.

for 420 garden tractor wiring electrical schematic wiring diagram
for 420 garden tractor wiring daily electronical wiring diagram
A set of wiring diagrams may be required by the electrical inspection authority to embrace attachment of the house to the public electrical supply system.
Wiring diagrams will as a consequence enhance panel schedules for circuit breaker panelboards, and riser diagrams for special services such as ember alarm or closed circuit television or other special services.
You Might Also Like :
[gembloong_related_posts count=3]
john deere 420 garden tractor wiring diagram another image:

for 420 garden tractor wiring electrical schematic wiring diagram
7 best wiring images in 2017 diagram lawn garden tractor
5 4 ford wiring tractor lights wiring diagram
john deere 420 wiring by farmer john farmer john wiring a 420 john deere john deere 2 cylinder carburetor rebuild easy step by step instructions duration 21 23 john deere 420 garden tractor wiring diagram binatani com john deere wiring harness diagram with john deere d130 wiring diagram b2network co at unique john deere wiring diagram download 40 in lights and with john deere wiring diagram l120 lukaszmira com and john deere 4520 wiring diagram new john deere wiring diagram l120 lukaszmira com inside john deere 317 wiring diagram diagrams schematics at john deere 420 garden tractor wiring diagram this website uses cookies to improve your experience we ll assume you re ok with this but you can opt out if you wish accept read more john deere 420 garden tractor parts diagram tractor john deere 420 parts diagram is probably the pics we located on the internet from reliable sources we attempt to explore this john deere 420 parts diagram image on this page because according to information from google engine it really is one of the best queries keyword on the internet john deere 420 parts diagram automotive parts diagram images description john deere la150 lawn tractor parts regarding john deere 420 parts diagram image size 600 x 600 px and to view image details please click the image john deere 420 this feature is not available right now please try again later wiring diagram for john deere 420 yesterday s tractors hi can anyone help on get a wiring diagram for my 420 lawn tractor wiring is all gone thanks for any help i need a wiring diagram for a 420 john deer lawn tractor i need a wiring diagram for a 420 deere lawn tractor answered by a verified technician we use cookies to give you the best possible experience on our website by continuing to use this site you consent to the use of cookies on your device as described in our cookie policy unless you have disabled them tractordata com john deere 420 tractor information c 2000 2019 tractordata notice every attempt is made to ensure the data listed is accurate however differences between sources incomplete listings errors and data entry mistakes do occur john deere timing delay module tdm replacement my gx345 did not need a new tdm but now it has one

















