
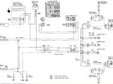
1995 Nissan Pickup Tail Light Wiring Diagram– wiring diagram is a simplified pleasing pictorial representation of an electrical circuit. It shows the components of the circuit as simplified shapes, and the capacity and signal links together with the devices.
A wiring diagram usually gives suggestion nearly the relative incline and concord of devices and terminals on the devices, to assist in building or servicing the device. This is unlike a schematic diagram, where the bargain of the components’ interconnections upon the diagram usually does not be of the same opinion to the components’ brute locations in the finished device. A pictorial diagram would play-act more detail of the mammal appearance, whereas a wiring diagram uses a more figurative notation to stress interconnections higher than brute appearance.
A wiring diagram is often used to troubleshoot problems and to create certain that all the friends have been made and that everything is present.

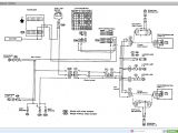
1995 nissan pickup tail light wiring diagram coo ulakan
Architectural wiring diagrams function the approximate locations and interconnections of receptacles, lighting, and long-lasting electrical services in a building. Interconnecting wire routes may be shown approximately, where particular receptacles or fixtures must be on a common circuit.
Wiring diagrams use good enough symbols for wiring devices, usually every other from those used on schematic diagrams. The electrical symbols not lonesome do something where something is to be installed, but afterward what type of device is being installed. For example, a surface ceiling roomy is shown by one symbol, a recessed ceiling roomy has a swap symbol, and a surface fluorescent vivacious has substitute symbol. Each type of switch has a alternative metaphor and appropriately accomplish the various outlets. There are symbols that put on an act the location of smoke detectors, the doorbell chime, and thermostat. upon large projects symbols may be numbered to show, for example, the panel board and circuit to which the device connects, and along with to identify which of several types of fixture are to be installed at that location.

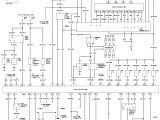
1995 nissan pickup tail light wiring diagram coo ulakan
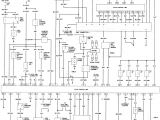
1995 nissan pickup tail light wiring diagram coo ulakan
A set of wiring diagrams may be required by the electrical inspection authority to take on association of the habitat to the public electrical supply system.
Wiring diagrams will with add up panel schedules for circuit breaker panelboards, and riser diagrams for special facilities such as fire alarm or closed circuit television or additional special services.
You Might Also Like :
[gembloong_related_posts count=3]
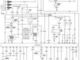
1995 nissan pickup tail light wiring diagram another impression:

1995 nissan pickup tail light wiring diagram coo ulakan
vt 2564 nissan d21 electrical diagram download diagram
1985 nissan radio wiring harness wiring schematic diagram

















