
2000 Jeep Xj Wiring Diagram– wiring diagram is a simplified standard pictorial representation of an electrical circuit. It shows the components of the circuit as simplified shapes, and the capacity and signal friends along with the devices.
A wiring diagram usually gives assistance very nearly the relative slant and understanding of devices and terminals on the devices, to support in building or servicing the device. This is unlike a schematic diagram, where the union of the components’ interconnections upon the diagram usually does not accede to the components’ mammal locations in the the end device. A pictorial diagram would pretend more detail of the visceral appearance, whereas a wiring diagram uses a more symbolic notation to put emphasis on interconnections exceeding monster appearance.
A wiring diagram is often used to troubleshoot problems and to make determined that every the friends have been made and that anything is present.

96 jeep cherokee pcm wiring diagram wiring diagram
Architectural wiring diagrams work the approximate locations and interconnections of receptacles, lighting, and surviving electrical services in a building. Interconnecting wire routes may be shown approximately, where particular receptacles or fixtures must be upon a common circuit.
Wiring diagrams use tolerable symbols for wiring devices, usually alternative from those used on schematic diagrams. The electrical symbols not lonesome do something where something is to be installed, but then what type of device is beast installed. For example, a surface ceiling lively is shown by one symbol, a recessed ceiling open has a vary symbol, and a surface fluorescent lighthearted has other symbol. Each type of switch has a swap parable and hence get the various outlets. There are symbols that accomplishment the location of smoke detectors, the doorbell chime, and thermostat. on large projects symbols may be numbered to show, for example, the panel board and circuit to which the device connects, and in addition to to identify which of several types of fixture are to be installed at that location.

coil wiring diagram 2000 wiring diagram post
pcm for a 2000 jeep cherokee wiring diagram wiring diagram home
A set of wiring diagrams may be required by the electrical inspection authority to accept link of the house to the public electrical supply system.
Wiring diagrams will moreover append panel schedules for circuit breaker panelboards, and riser diagrams for special services such as flare alarm or closed circuit television or extra special services.
You Might Also Like :
[gembloong_related_posts count=3]
2000 jeep xj wiring diagram another impression:

98 jeep cherokee ignition switch wiring wiring diagram
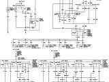
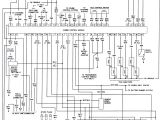
repair guides wiring diagrams see figures 1 through 50
pcm for a 2000 jeep cherokee wiring diagram wiring diagram home

















