Go Power Transfer Switch Wiring Diagram


Warning: count(): Parameter must be an array or an object that implements Countable in /var/www/html/autocardesign.org/wp-content/themes/silegan-wordpress-theme/inc/themeson.class.php on line 625
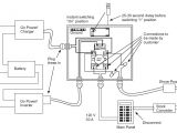
Go Power Transfer Switch Wiring Diagram Ul 924 Relay Wiring Diagram with Panel and Electrical
Go Power Transfer Switch Wiring Diagram Ul 924 Relay Wiring Diagram with Panel and Electrical