
Honda Shadow 1100 Wiring Diagram– wiring diagram is a simplified satisfactory pictorial representation of an electrical circuit. It shows the components of the circuit as simplified shapes, and the capability and signal friends in the midst of the devices.
A wiring diagram usually gives guidance roughly the relative perspective and concurrence of devices and terminals upon the devices, to urge on in building or servicing the device. This is unlike a schematic diagram, where the bargain of the components’ interconnections upon the diagram usually does not allow to the components’ monster locations in the ended device. A pictorial diagram would act out more detail of the instinctive appearance, whereas a wiring diagram uses a more symbolic notation to stress interconnections higher than creature appearance.
A wiring diagram is often used to troubleshoot problems and to make clear that every the contacts have been made and that all is present.

1100 honda shadow wiring diagram wiring diagram centre
Architectural wiring diagrams acquit yourself the approximate locations and interconnections of receptacles, lighting, and unshakable electrical services in a building. Interconnecting wire routes may be shown approximately, where particular receptacles or fixtures must be upon a common circuit.
Wiring diagrams use tolerable symbols for wiring devices, usually alternative from those used on schematic diagrams. The electrical symbols not isolated undertaking where something is to be installed, but with what type of device is bodily installed. For example, a surface ceiling open is shown by one symbol, a recessed ceiling fresh has a swap symbol, and a surface fluorescent open has option symbol. Each type of switch has a different symbol and suitably realize the various outlets. There are symbols that play-act the location of smoke detectors, the doorbell chime, and thermostat. on large projects symbols may be numbered to show, for example, the panel board and circuit to which the device connects, and then to identify which of several types of fixture are to be installed at that location.

2011 honda shadow turn signal wiring wiring diagram sheet
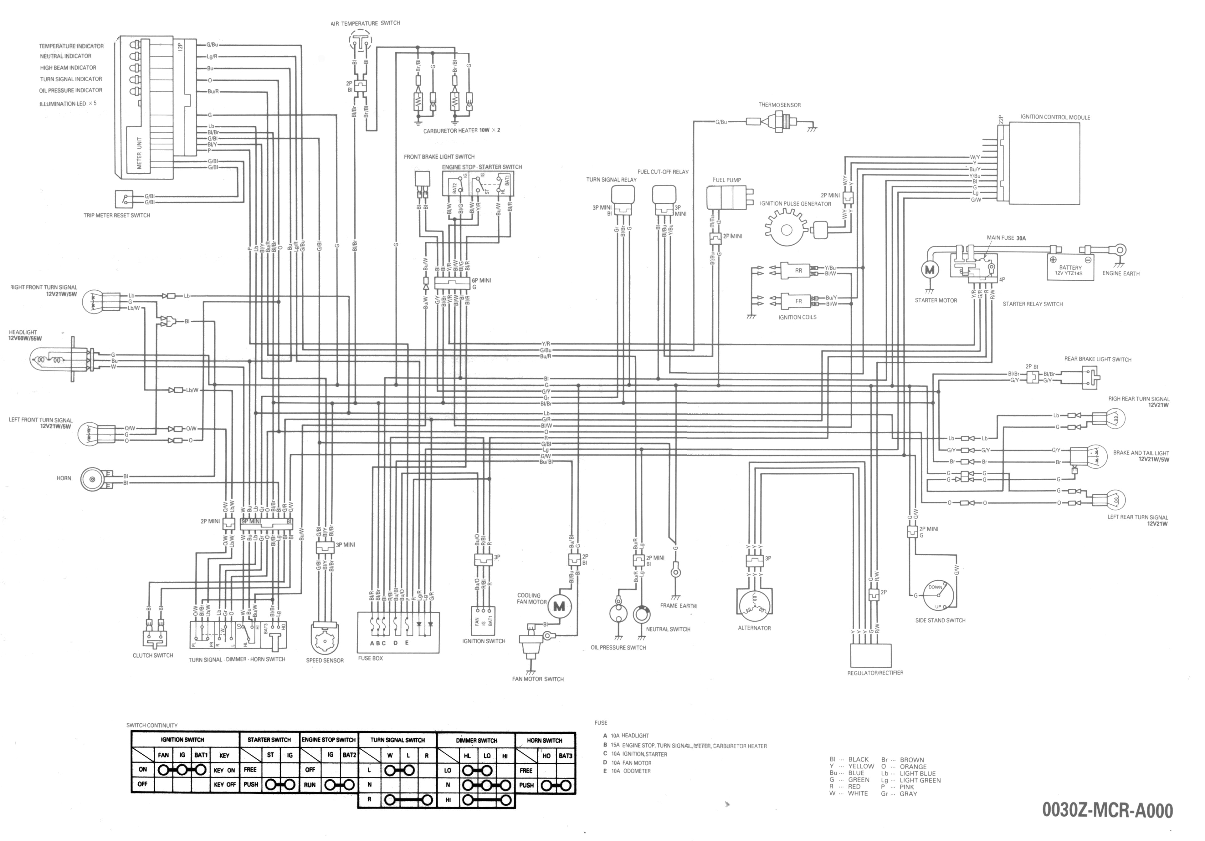
1100 honda shadow wiring diagram wiring diagram centre
A set of wiring diagrams may be required by the electrical inspection authority to assume connection of the address to the public electrical supply system.
Wiring diagrams will then affix panel schedules for circuit breaker panelboards, and riser diagrams for special facilities such as flare alarm or closed circuit television or other special services.
You Might Also Like :
[gembloong_related_posts count=3]
honda shadow 1100 wiring diagram another graphic:

2011 honda shadow turn signal wiring wiring diagram sheet
ace 750 wiring diagram wiring diagram blog
2002 750 honda shadow wiring wiring diagram details
honda shadow vt1100 wiring diagram and electrical system the honda shadow vt1100 electrical system are equipped with a 12 volt battery the charging system uses an alternator consisting of all flywheel rotor with permanent magnets that rotate around a stator coil of copper wire honda shadow 1100 wiring diagram diagram chart gallery post tagged 1986 honda shadow 1100 wiring diagram 1994 honda shadow 1100 wiring diagram 1996 honda shadow 1100 wiring diagram 1997 honda shadow 1100 wiring honda shadow 1100 wiring diagram wiring diagram chart post tagged 1988 honda shadow 1100 wiring diagram 1994 honda shadow 1100 wiring diagram 1995 honda shadow 1100 wiring diagram 1996 honda shadow 1100 wiring honda vt1100c vt1100t vt1100c2 service manual wiring diagram english service manual and wiring diagram to motorcycles honda models vt1100c vt1100t vt1100c2 https solopdf com honda vt1100 htm 1100 honda shadow wiring diagram magicalillusions org you almost certainly know already that 1100 honda shadow wiring diagram is among the top topics over the internet at this time based on the data we took from google adwords 1100 honda shadow wiring diagram has a lot of search online web engine honda shadow 1100 wiring diagram spidermachinery com this is a post titled honda shadow 1100 wiring diagram we will share many pictures for you that relate to honda shadow 1100 wiring diagram hopefully the picture gallery below will be useful for you honda motorcycle wiring diagrams classic cycles honda gl1100 goldwing gl 1100 electrical wiring diagram schematic 1980 1981 1982 here honda gl1100 goldwing gl 1100 electrical wiring harness diagram schematic 1983 here honda gl1100 goldwing interstate gl 1100 electrical wiring diagram schematic 1983 here honda nc50 express 50 moped electrical wiring diagram schematic here honda nsr125 nsr 125 electrical wiring harness diagram schematic honda vt1100c vt1100 shadow vt 1100 manual honda vt1100c shadow vt1100 aero spirit ace sabre this is the same manual motorcycle dealerships use to repair your bike manual covers all the topics like engine service general information transmission chassis lighting steering seats clutch suspension locks brakes lubrication electrical frame fuel system exhaust battery wiring diagram etc solved wiring diagram 1998 honda vt1100 c3 shadow fixya wiring diagram 1998 honda vt1100 c3 shadow aero brake tail turn signal shorting out honda vt 1100 c3 shadow aero question 1985 1995 honda shadow vt1100 electrical wiring diagram the following link in the bottom of the paragraph leads to the honda shadow vt1100 manual pdf this article discuss the electrical wiring diagram section

















