
Yamaha Bear Tracker Wiring Diagram– wiring diagram is a simplified suitable pictorial representation of an electrical circuit. It shows the components of the circuit as simplified shapes, and the capacity and signal friends amongst the devices.
A wiring diagram usually gives guidance approximately the relative point of view and deal of devices and terminals upon the devices, to assist in building or servicing the device. This is unlike a schematic diagram, where the concord of the components’ interconnections upon the diagram usually does not tie in to the components’ creature locations in the the end device. A pictorial diagram would achievement more detail of the monster appearance, whereas a wiring diagram uses a more figurative notation to put the accent on interconnections on top of swine appearance.
A wiring diagram is often used to troubleshoot problems and to make distinct that every the friends have been made and that everything is present.
![]()
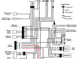
a 1994 yamaha yfm 350 wiring diagram 1994 yamaha kodiak
Architectural wiring diagrams function the approximate locations and interconnections of receptacles, lighting, and enduring electrical facilities in a building. Interconnecting wire routes may be shown approximately, where particular receptacles or fixtures must be upon a common circuit.
Wiring diagrams use satisfactory symbols for wiring devices, usually stand-in from those used upon schematic diagrams. The electrical symbols not only fake where something is to be installed, but plus what type of device is beast installed. For example, a surface ceiling fresh is shown by one symbol, a recessed ceiling lively has a every other symbol, and a surface fluorescent open has unusual symbol. Each type of switch has a exchange tale and therefore accomplish the various outlets. There are symbols that be active the location of smoke detectors, the doorbell chime, and thermostat. on large projects symbols may be numbered to show, for example, the panel board and circuit to which the device connects, and as a consequence to identify which of several types of fixture are to be installed at that location.
![]()
yamaha 225dx wiring diagram main static mooiravenstein nl![]()
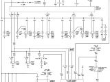
wiring diagram for yamaha 350 big bear wind repeat8
A set of wiring diagrams may be required by the electrical inspection authority to embrace attachment of the house to the public electrical supply system.
Wiring diagrams will moreover add together panel schedules for circuit breaker panelboards, and riser diagrams for special facilities such as flare alarm or closed circuit television or extra special services.
You Might Also Like :
[gembloong_related_posts count=3]
yamaha bear tracker wiring diagram another graphic:
![]()
5f37 wiring schematic for a 1997 ymf yamaha 250 bear tracker![]()
vy 7214 wiring diagram in addition yamaha warrior 350![]()
02 grizzly cdi box wiring diagram liar fuse8 klictravel nl
yfm250x wiring diagrams yamaha bear tracker atv yfm250x wiring diagrams yamaha bear tracker 2wd use ctrl f to search for the bike you need or just scroll down through the yfm250 wiring diagrams they are listed with the oldest bike first top of page newer bikes are below 1999 yamaha yfm250x bear tracker 2wd yfm250xl xlc yamaha model code yfm250x wiring diagrams and electrical component list electrical components shown in the yamaha bear tracker wiring diagram yamaha bear tracker this is the yamaha bear tracker wiring diagram yamaha bear tracker battery of a pic i get coming from the yamaha 250 bear tracker wiring diagram package you can save this graphic file to your own personal pc please right click on the image and save the pic we also have some more figures associated to yamaha 250 bear tracker wiring diagram please see the image gallery below click one of yamaha bear tracker 250 service manual wiring diagram product details file format pdf compatible all versions of windows mac language english instant download yamaha bear tracker 250 service manual yamaha yfm250 service manual related posts 1999 2004 yamaha bear tracker 250 atv service repair manual download 1999 2008 yamaha big bear 250 yfm250 atv service repair manual download chevy chevrolet tracker yamaha beartracker yfm250xp owner s manual pdf download view and download yamaha beartracker yfm250xp owner s manual online beartracker yfm250xp offroad vehicle pdf manual download also for yfm250xc beartracker yamaha bear tracker 250 atv service repair manual download 1999 2004 yamaha bear tracker 250 atv service repair manual contains everything you will ever need to repair maintain rebuild refurbish or restore your yamaha bear tracker 250 atv years models covered 1999 2004 1999 2004 yamaha bear tracker 250 atv service repair manual contains general information specifications periodic checks and adjustments engine cooling system carburetion drive yamaha wiring diagram repair motorcycle and moped yamaha wiring diagrams can be invaluable when troubleshooting or diagnosing electrical problems in motorcycles these diagrams and schematics are from our personal collection of literature refer to the need to know pages for tools required to work on electrical systems motorcycle dirt bike wiring diagrams aka wire schematics available 1978 xs400 2e pw50 pw80 yz80 tz125 xv16 download yamaha bear tracker 250 repair manual yfm250 yfm 250 2006 yamaha bear tracker 250 service manual pdf yfm 250 free repair manual tav overheating change timing chain on yamaha yfm 250 quad bear tracker 2007 yamaha bear tracker yfm 250 carburetor diagram wiring schematic for a yamaha yfm250 2002 model repair manual for a yamaha bear tracker 250 yam yamaha 250 bear tracker quad keep failing spark plug how do you shift gears on a 1999 yamaha 250 ex wiring color codes for yamaha outboard motors here is a listing of common color codes for yamaha outboard motors there is an industry standard set of wire codes in general use by most manufacturers except yamaha colors listed here may vary with year model but in general should be a good guide when tracing yamaha wiring troubles yamaha atv electrical diagrams circuit diagram maker yamaha atv electrical diagrams welcome thank you for visiting this simple website we are trying to improve this website the website is in the development stage support from you in any form really helps us we really appreciate that we will share this website for you articles and images of wiring diagrams engine schemes engine problems engine diagrams transmission diagrams





