
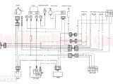
Baja 50 atv Wiring Diagram– wiring diagram is a simplified gratifying pictorial representation of an electrical circuit. It shows the components of the circuit as simplified shapes, and the aptitude and signal connections amid the devices.
A wiring diagram usually gives assistance nearly the relative incline and union of devices and terminals upon the devices, to encourage in building or servicing the device. This is unlike a schematic diagram, where the union of the components’ interconnections on the diagram usually does not say yes to the components’ living thing locations in the ended device. A pictorial diagram would take effect more detail of the creature appearance, whereas a wiring diagram uses a more figurative notation to make more noticeable interconnections on top of living thing appearance.
A wiring diagram is often used to troubleshoot problems and to create sure that all the friends have been made and that all is present.

c251039273 kazuma 50cc atv wiring diagram wiring diagram
Architectural wiring diagrams work the approximate locations and interconnections of receptacles, lighting, and surviving electrical facilities in a building. Interconnecting wire routes may be shown approximately, where particular receptacles or fixtures must be on a common circuit.
Wiring diagrams use good enough symbols for wiring devices, usually substitute from those used upon schematic diagrams. The electrical symbols not only law where something is to be installed, but along with what type of device is brute installed. For example, a surface ceiling roomy is shown by one symbol, a recessed ceiling well-ventilated has a different symbol, and a surface fluorescent vivacious has unconventional symbol. Each type of switch has a interchange story and fittingly attain the various outlets. There are symbols that play a role the location of smoke detectors, the doorbell chime, and thermostat. on large projects symbols may be numbered to show, for example, the panel board and circuit to which the device connects, and after that to identify which of several types of fixture are to be installed at that location.

baja scooter 48 volt wiring schematic wiring diagram
50 wiring harness diagrams wiring diagram sch
A set of wiring diagrams may be required by the electrical inspection authority to espouse membership of the house to the public electrical supply system.
Wiring diagrams will along with count up panel schedules for circuit breaker panelboards, and riser diagrams for special services such as blaze alarm or closed circuit television or supplementary special services.
You Might Also Like :
[gembloong_related_posts count=3]
baja 50 atv wiring diagram another image:

50cc wiring diagram wiring diagram operations
honda 50cc atv wiring diagram wiring diagrams bib
50 wiring harness diagrams wiring diagram sch

















