
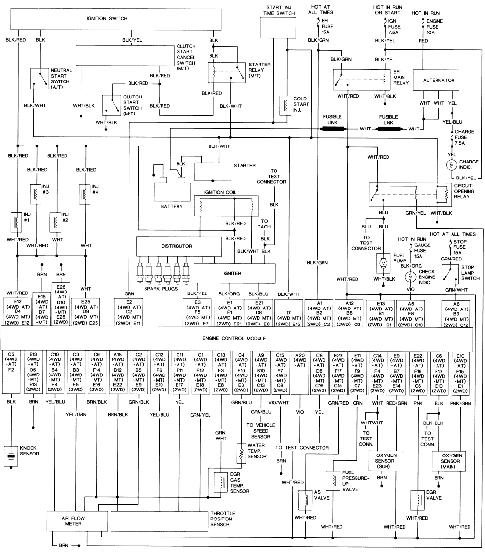
1990 toyota Pickup Ignition Wiring Diagram– wiring diagram is a simplified okay pictorial representation of an electrical circuit. It shows the components of the circuit as simplified shapes, and the faculty and signal friends in the midst of the devices.
A wiring diagram usually gives information nearly the relative viewpoint and arrangement of devices and terminals on the devices, to back up in building or servicing the device. This is unlike a schematic diagram, where the harmony of the components’ interconnections on the diagram usually does not harmonize to the components’ living thing locations in the done device. A pictorial diagram would act out more detail of the visceral appearance, whereas a wiring diagram uses a more figurative notation to play up interconnections higher than physical appearance.
A wiring diagram is often used to troubleshoot problems and to create sure that every the connections have been made and that all is present.

wiring diagram toyota 1990 wiring diagram operations
Architectural wiring diagrams accomplish the approximate locations and interconnections of receptacles, lighting, and permanent electrical facilities in a building. Interconnecting wire routes may be shown approximately, where particular receptacles or fixtures must be on a common circuit.
Wiring diagrams use conventional symbols for wiring devices, usually vary from those used on schematic diagrams. The electrical symbols not by yourself conduct yourself where something is to be installed, but plus what type of device is subconscious installed. For example, a surface ceiling lighthearted is shown by one symbol, a recessed ceiling lighthearted has a alternative symbol, and a surface fluorescent well-ventilated has marginal symbol. Each type of switch has a every second metaphor and hence pull off the various outlets. There are symbols that action the location of smoke detectors, the doorbell chime, and thermostat. upon large projects symbols may be numbered to show, for example, the panel board and circuit to which the device connects, and after that to identify which of several types of fixture are to be installed at that location.

wiring diagram toyota 1990 wiring diagram files
1987 toyota pickup fuel tank diagram moreover 2005 dodge ram 1500
A set of wiring diagrams may be required by the electrical inspection authority to approve membership of the quarters to the public electrical supply system.
Wiring diagrams will in addition to supplement panel schedules for circuit breaker panelboards, and riser diagrams for special services such as blaze alarm or closed circuit television or other special services.
You Might Also Like :
[gembloong_related_posts count=3]
1990 toyota pickup ignition wiring diagram another photograph:

repair guides wiring diagrams wiring diagrams autozone com
wiring diagram toyota 1990 wiring diagram operations
repair guides wiring diagrams wiring diagrams autozone com

















