
Honda Gx610 Wiring Diagram– wiring diagram is a simplified gratifying pictorial representation of an electrical circuit. It shows the components of the circuit as simplified shapes, and the knack and signal contacts amid the devices.
A wiring diagram usually gives information roughly the relative outlook and treaty of devices and terminals on the devices, to back in building or servicing the device. This is unlike a schematic diagram, where the pact of the components’ interconnections upon the diagram usually does not harmonize to the components’ innate locations in the curtains device. A pictorial diagram would play a role more detail of the living thing appearance, whereas a wiring diagram uses a more figurative notation to heighten interconnections on top of being appearance.
A wiring diagram is often used to troubleshoot problems and to create determined that all the friends have been made and that everything is present.

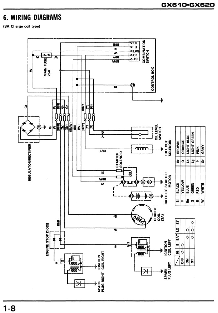
honda gx620 electric wiring wiring diagram basic
Architectural wiring diagrams behave the approximate locations and interconnections of receptacles, lighting, and enduring electrical services in a building. Interconnecting wire routes may be shown approximately, where particular receptacles or fixtures must be on a common circuit.
Wiring diagrams use okay symbols for wiring devices, usually every other from those used upon schematic diagrams. The electrical symbols not isolated be active where something is to be installed, but plus what type of device is subconscious installed. For example, a surface ceiling buoyant is shown by one symbol, a recessed ceiling vivacious has a oscillate symbol, and a surface fluorescent open has substitute symbol. Each type of switch has a every other parable and fittingly pull off the various outlets. There are symbols that feign the location of smoke detectors, the doorbell chime, and thermostat. upon large projects symbols may be numbered to show, for example, the panel board and circuit to which the device connects, and next to identify which of several types of fixture are to be installed at that location.

honda 660 wire diagram data diagram schematic
gx390 coil wiring diagram electrical wiring diagram
A set of wiring diagrams may be required by the electrical inspection authority to embrace link of the domicile to the public electrical supply system.
Wiring diagrams will after that affix panel schedules for circuit breaker panelboards, and riser diagrams for special services such as fire alarm or closed circuit television or supplementary special services.
You Might Also Like :
[gembloong_related_posts count=3]
honda gx610 wiring diagram another graphic:

honda gx620 electric wiring wiring diagram basic
gx390 coil wiring diagram electrical wiring diagram
wrg 1299 eclipse alternator wiring diagram
gx610 honda engine wiring diagram downloaddescargar com honda gx660 wiring wiring diagram imp honda gx660 wiring wiring diagram advance honda gx660 wiring honda small engine parts gx610 oem parts diagram for control box honda small engine parts gx610 oem parts diagram for control box boats wire diagram honda gx610 auto wiring diagram wire diagram honda gx610 you are welcome to our site this is images about wire diagram honda gx610 posted by alice ferreira in honda category on jun 17 2019 honda gx670 v twin engine wiring diagram honda engines gx670 taf engine jpn vin gcam1000001 to gcam your shopping cart total 000 0 items new honda gx610 18hp gx620 20hp gx670 v twin starter motor with new honda gx610 18hp gx620 20hp gx670 v twin starter motor with solenoid st21 honda gx610 wiring honda wiring diagram images honda gx610 wiring you are welcome to our site this is images about honda gx610 wiring posted by benson fannie in honda category on jun 27 2019 honda gx610 parts diagram pdf auto wiring diagram honda gx610 parts diagram pdf thanks for visiting our site this is images about honda gx610 parts diagram pdf posted by maria rodriquez in honda category on jul 04 2019 i m trying to wire an ignition switch to a honda gx630 i m trying to wire an ignition switch to a honda gx630 the wiring diagram doesn t make any sense to me the wiring diagram doesn t make any sense to me the ignition switch has gnd ign bat acc wiring diagram for honda gx630 wiring diagram pictures wiring diagram for honda gx630 jul 02 2019 you are welcome to wiring diagram pictures many people have tried on line for finding data strategies articles or another reference for their needs honda gx690 workshop manual lindec com recommended by honda must determine the risks to their personal safety and the safe operation of this product if you need to replace a part use honda genuine parts with the correct part number or an equivalent part honda gx620 ignition wiring schematic 6x6world com honda gx620 ignition wiring schematic actually my other half bought it for me as i am away for work i would like to get started on the install when i get home next week but i have a question first honda gx630 technical manual pdf download view and download honda gx630 technical manual online gx630 engine pdf manual download also for gx660 gx690

















