honda gx610 oil weight

Honda Gx610 Wiring Diagram

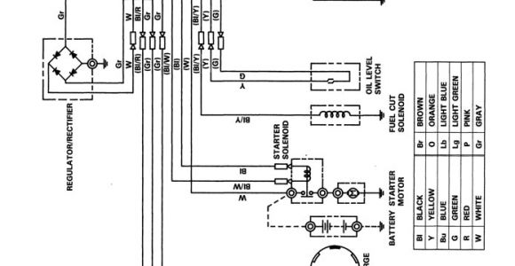
Honda Gx610 Wiring Diagram Honda Gx620 Electric Wiring Wiring Diagram Basic
Honda Gx610 Wiring Diagram Honda Gx620 Electric Wiring Wiring Diagram Basic
Honda Gx610 Wiring Diagram Honda Gx620 Electric Wiring Wiring Diagram Basic
Honda Gx610 Wiring Diagram Honda 660 Wire Diagram Data Diagram Schematic
Honda Gx610 Wiring Diagram Gx390 Coil Wiring Diagram Electrical Wiring Diagram

Honda Gx610 Wiring Diagram - wiring diagram is a simplified gratifying pictorial representation of an electrical circuit. It shows the components of the circuit as simplified shapes, and the knac...