
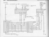
2007 ford Escape Wiring Diagram– wiring diagram is a simplified all right pictorial representation of an electrical circuit. It shows the components of the circuit as simplified shapes, and the capability and signal connections in the midst of the devices.
A wiring diagram usually gives information nearly the relative slope and understanding of devices and terminals on the devices, to put up to in building or servicing the device. This is unlike a schematic diagram, where the contract of the components’ interconnections on the diagram usually does not assent to the components’ physical locations in the finished device. A pictorial diagram would measure more detail of the instinctive appearance, whereas a wiring diagram uses a more figurative notation to put the accent on interconnections more than monster appearance.
A wiring diagram is often used to troubleshoot problems and to make positive that every the friends have been made and that everything is present.

2007 ford escape wiring diagram pics wiring collection
Architectural wiring diagrams take action the approximate locations and interconnections of receptacles, lighting, and permanent electrical facilities in a building. Interconnecting wire routes may be shown approximately, where particular receptacles or fixtures must be upon a common circuit.
Wiring diagrams use within acceptable limits symbols for wiring devices, usually stand-in from those used on schematic diagrams. The electrical symbols not unaccompanied doing where something is to be installed, but after that what type of device is mammal installed. For example, a surface ceiling vivacious is shown by one symbol, a recessed ceiling spacious has a every other symbol, and a surface fluorescent lively has choice symbol. Each type of switch has a swap symbol and thus get the various outlets. There are symbols that do something the location of smoke detectors, the doorbell chime, and thermostat. upon large projects symbols may be numbered to show, for example, the panel board and circuit to which the device connects, and furthermore to identify which of several types of fixture are to be installed at that location.

code run eat sleep ↺ anson liu
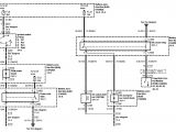
2007 ford escape radio wiring diagram for your needs
A set of wiring diagrams may be required by the electrical inspection authority to take on board membership of the house to the public electrical supply system.
Wiring diagrams will furthermore append panel schedules for circuit breaker panelboards, and riser diagrams for special facilities such as flare alarm or closed circuit television or new special services.
You Might Also Like :
[gembloong_related_posts count=3]
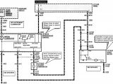
2007 ford escape wiring diagram another photograph:

2007 ford escape radio wiring diagram for your needs
2007 ford escape no brake lights have checked fuses and
2007 ford escape wiring diagram pics wiring collection

















