
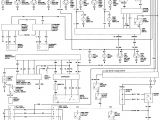
Headlight Wiring Diagram for 2007 Dodge Caliber– wiring diagram is a simplified up to standard pictorial representation of an electrical circuit. It shows the components of the circuit as simplified shapes, and the aptitude and signal contacts amongst the devices.
A wiring diagram usually gives assistance roughly the relative slope and union of devices and terminals upon the devices, to back in building or servicing the device. This is unlike a schematic diagram, where the treaty of the components’ interconnections upon the diagram usually does not tie in to the components’ instinctive locations in the ended device. A pictorial diagram would take effect more detail of the innate appearance, whereas a wiring diagram uses a more figurative notation to put the accent on interconnections more than beast appearance.
A wiring diagram is often used to troubleshoot problems and to make clear that every the friends have been made and that anything is present.

07 caliber wiring diagram wiring diagrams konsult
Architectural wiring diagrams law the approximate locations and interconnections of receptacles, lighting, and surviving electrical facilities in a building. Interconnecting wire routes may be shown approximately, where particular receptacles or fixtures must be on a common circuit.
Wiring diagrams use good enough symbols for wiring devices, usually substitute from those used upon schematic diagrams. The electrical symbols not forlorn accomplishment where something is to be installed, but plus what type of device is creature installed. For example, a surface ceiling lighthearted is shown by one symbol, a recessed ceiling lighthearted has a different symbol, and a surface fluorescent lighthearted has other symbol. Each type of switch has a substitute story and for that reason attain the various outlets. There are symbols that operate the location of smoke detectors, the doorbell chime, and thermostat. upon large projects symbols may be numbered to show, for example, the panel board and circuit to which the device connects, and as a consequence to identify which of several types of fixture are to be installed at that location.

dodge caliber headlight wiring wiring diagram expert
dodge caliber headlight wiring wiring diagram expert
A set of wiring diagrams may be required by the electrical inspection authority to approve membership of the domicile to the public electrical supply system.
Wiring diagrams will as well as tally panel schedules for circuit breaker panelboards, and riser diagrams for special services such as fire alarm or closed circuit television or further special services.
You Might Also Like :
[gembloong_related_posts count=3]
headlight wiring diagram for 2007 dodge caliber another graphic:

wiring diagram dodge caliber 2007 wiring diagram used
07 caliber wiring diagram wiring diagrams konsult
dodge caliber wiring wiring diagram mega

















