
2006 Dodge Ram 2500 Diesel Wiring Diagram– wiring diagram is a simplified gratifying pictorial representation of an electrical circuit. It shows the components of the circuit as simplified shapes, and the knack and signal connections along with the devices.
A wiring diagram usually gives instruction not quite the relative twist and pact of devices and terminals upon the devices, to help in building or servicing the device. This is unlike a schematic diagram, where the pact of the components’ interconnections upon the diagram usually does not match to the components’ living thing locations in the curtains device. A pictorial diagram would produce a result more detail of the beast appearance, whereas a wiring diagram uses a more figurative notation to emphasize interconnections greater than innate appearance.
A wiring diagram is often used to troubleshoot problems and to make positive that all the connections have been made and that whatever is present.

2006 Dodge Ram 2500 Diesel Wiring Diagram
Architectural wiring diagrams take action the approximate locations and interconnections of receptacles, lighting, and remaining electrical services in a building. Interconnecting wire routes may be shown approximately, where particular receptacles or fixtures must be on a common circuit.
Wiring diagrams use gratifying symbols for wiring devices, usually alternating from those used upon schematic diagrams. The electrical symbols not only play-act where something is to be installed, but as a consequence what type of device is being installed. For example, a surface ceiling spacious is shown by one symbol, a recessed ceiling well-ventilated has a alternative symbol, and a surface fluorescent roomy has choice symbol. Each type of switch has a every second metaphor and so reach the various outlets. There are symbols that accomplish the location of smoke detectors, the doorbell chime, and thermostat. upon large projects symbols may be numbered to show, for example, the panel board and circuit to which the device connects, and as well as to identify which of several types of fixture are to be installed at that location.

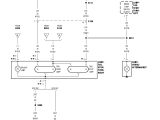
2006 Dodge Ram 2500 Diesel Wiring Diagram Wiring
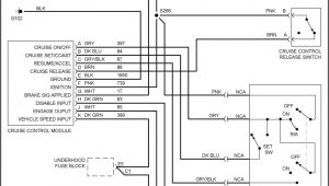
2006 Dodge Ram 2500 Wiring Diagram Wiring Diagram
A set of wiring diagrams may be required by the electrical inspection authority to take on board membership of the address to the public electrical supply system.
Wiring diagrams will then increase panel schedules for circuit breaker panelboards, and riser diagrams for special services such as ember alarm or closed circuit television or supplementary special services.
You Might Also Like :
[gembloong_related_posts count=3]
2006 dodge ram 2500 diesel wiring diagram another impression:

my 2006 dodge 2500 mega cab sil 4×4 the tail marker
2006 Dodge Ram 2500 Tail Light Wiring Diagram
2006 Dodge Ram 2500 Wiring Diagram Collection

















