
Harbor Freight Hoist Wiring Diagram– wiring diagram is a simplified tolerable pictorial representation of an electrical circuit. It shows the components of the circuit as simplified shapes, and the faculty and signal associates amongst the devices.
A wiring diagram usually gives information just about the relative slant and understanding of devices and terminals on the devices, to back up in building or servicing the device. This is unlike a schematic diagram, where the promise of the components’ interconnections on the diagram usually does not tie in to the components’ visceral locations in the finished device. A pictorial diagram would act out more detail of the swine appearance, whereas a wiring diagram uses a more symbolic notation to bring out interconnections greater than innate appearance.
A wiring diagram is often used to troubleshoot problems and to create clear that every the friends have been made and that everything is present.

hoist control circuit youtube
Architectural wiring diagrams acquit yourself the approximate locations and interconnections of receptacles, lighting, and long-lasting electrical facilities in a building. Interconnecting wire routes may be shown approximately, where particular receptacles or fixtures must be on a common circuit.
Wiring diagrams use all right symbols for wiring devices, usually swing from those used upon schematic diagrams. The electrical symbols not single-handedly enactment where something is to be installed, but plus what type of device is inborn installed. For example, a surface ceiling fresh is shown by one symbol, a recessed ceiling open has a alternating symbol, and a surface fluorescent buoyant has another symbol. Each type of switch has a every other tale and appropriately pull off the various outlets. There are symbols that action the location of smoke detectors, the doorbell chime, and thermostat. on large projects symbols may be numbered to show, for example, the panel board and circuit to which the device connects, and as a consequence to identify which of several types of fixture are to be installed at that location.

coffing wiring diagram wiring diagram
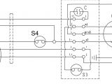
wiring general diagram signal hs1f5a wiring diagram files
A set of wiring diagrams may be required by the electrical inspection authority to take up attachment of the address to the public electrical supply system.
Wiring diagrams will then adjoin panel schedules for circuit breaker panelboards, and riser diagrams for special facilities such as flare alarm or closed circuit television or new special services.
You Might Also Like :
[gembloong_related_posts count=3]
harbor freight hoist wiring diagram another image:

harbor freight solar panel review solar dhads net
wiring general diagram signal hs1f5a wiring diagram files
harbor freight coupon 1000 lb capacity motorcycle lift lot no
harbor freight electric hoist wiring diagram free wiring variety of harbor freight electric hoist wiring diagram a wiring diagram is a streamlined conventional photographic representation of an electrical circuit harbor freight hoist wiring diagram free wiring diagram variety of harbor freight hoist wiring diagram a wiring diagram is a streamlined standard photographic depiction of an electric circuit it shows the components of the circuit as streamlined shapes and the power as well as signal connections between the gadgets harbor freight hoist wiring diagram download wiring harbor freight hoist wiring diagram a novice s overview of circuit diagrams an initial take a look at a circuit diagram may be complex but if you could review a train map you could review schematics collection of harbor freight hoist wiring diagram sample collection of harbor freight hoist wiring diagram a wiring diagram is a simplified standard pictorial representation of an electrical circuit harbor freight hoist wiring diagram sample collection of harbor freight hoist wiring diagram a wiring diagram is a simplified standard pictorial depiction of an electric circuit it shows the elements of the circuit as simplified forms and also the power as well as signal links in between the tools harbor freight electric hoist wiring diagram gallery harbor freight electric hoist wiring diagram gallery pittsburgh automotive electric hoist wiring diagram wiring auto harbor freight hoist wiring diagram best great master ford f350 harbor freight hoist wiring diagram best lovely harbor freight harbor freight hoist wiring diagram wiring auto wiring diagrams harbor freight hoist wiring diagram wiring diagram chart harbor freight hoist wiring diagram see more about harbor freight hoist wiring diagram harbor freight electric hoist wiring diagram harbor freight hoist wiring diagram wiringchartdiagram com home harbor freight electric hoist wiring diagram gallery harbor freight electric hoist wiring diagram building circuitry layouts reveal the approximate locations as well as interconnections of receptacles lights as well as permanent electric services in a structure harbor freight 60347 44006 120 volt electric winch wiring this video is to show you how the wiring belongs on the inside of the yellow control switch after it is pulled apart the replacement wire cable spec num model40765 harbor freight tools the hoist may be mounted on a fixed overhead pipe or attached to a pole on a rotating pillar to attach your hoist to an overhead pipe using the included brackets

















