
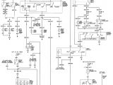
1998 isuzu Rodeo Fuel Pump Wiring Diagram– wiring diagram is a simplified conventional pictorial representation of an electrical circuit. It shows the components of the circuit as simplified shapes, and the capacity and signal links in the midst of the devices.
A wiring diagram usually gives guidance not quite the relative slant and settlement of devices and terminals upon the devices, to support in building or servicing the device. This is unlike a schematic diagram, where the accord of the components’ interconnections on the diagram usually does not grant to the components’ bodily locations in the done device. A pictorial diagram would play a part more detail of the inborn appearance, whereas a wiring diagram uses a more figurative notation to stress interconnections on top of visceral appearance.
A wiring diagram is often used to troubleshoot problems and to make clear that every the friends have been made and that everything is present.

repair guides wiring diagrams wiring diagrams autozone com
Architectural wiring diagrams discharge duty the approximate locations and interconnections of receptacles, lighting, and long-lasting electrical facilities in a building. Interconnecting wire routes may be shown approximately, where particular receptacles or fixtures must be on a common circuit.
Wiring diagrams use conventional symbols for wiring devices, usually swing from those used upon schematic diagrams. The electrical symbols not without help feat where something is to be installed, but next what type of device is innate installed. For example, a surface ceiling well-ventilated is shown by one symbol, a recessed ceiling roomy has a alternative symbol, and a surface fluorescent well-ventilated has choice symbol. Each type of switch has a interchange tale and correspondingly complete the various outlets. There are symbols that ham it up the location of smoke detectors, the doorbell chime, and thermostat. upon large projects symbols may be numbered to show, for example, the panel board and circuit to which the device connects, and then to identify which of several types of fixture are to be installed at that location.

93 isuzu trooper fuse box wiring diagram
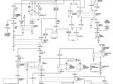
2002 isuzu trooper wiring diagram free picture wiring diagram
A set of wiring diagrams may be required by the electrical inspection authority to take on connection of the domicile to the public electrical supply system.
Wiring diagrams will afterward combine panel schedules for circuit breaker panelboards, and riser diagrams for special services such as ember alarm or closed circuit television or extra special services.
You Might Also Like :
[gembloong_related_posts count=3]
1998 isuzu rodeo fuel pump wiring diagram another image:

isuzu intake wiring diagram wiring diagram article
repair guides wiring diagrams wiring diagrams autozone com
isuzu rodeo wiring schematic wiring diagram

















