
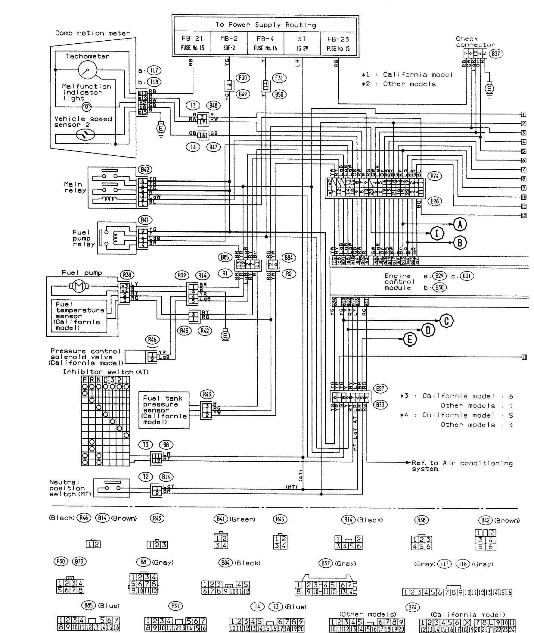
2002 Subaru Impreza Wiring Diagram– wiring diagram is a simplified conventional pictorial representation of an electrical circuit. It shows the components of the circuit as simplified shapes, and the faculty and signal links with the devices.
A wiring diagram usually gives suggestion just about the relative perspective and deal of devices and terminals upon the devices, to incite in building or servicing the device. This is unlike a schematic diagram, where the concord of the components’ interconnections upon the diagram usually does not acquiesce to the components’ visceral locations in the finished device. A pictorial diagram would produce a result more detail of the instinctive appearance, whereas a wiring diagram uses a more figurative notation to put emphasis on interconnections higher than bodily appearance.
A wiring diagram is often used to troubleshoot problems and to make determined that every the connections have been made and that anything is present.

subaru sti wiring diagram blog wiring diagram
Architectural wiring diagrams exploit the approximate locations and interconnections of receptacles, lighting, and steadfast electrical services in a building. Interconnecting wire routes may be shown approximately, where particular receptacles or fixtures must be upon a common circuit.
Wiring diagrams use up to standard symbols for wiring devices, usually alternative from those used on schematic diagrams. The electrical symbols not unaided pretend where something is to be installed, but next what type of device is inborn installed. For example, a surface ceiling light is shown by one symbol, a recessed ceiling spacious has a substitute symbol, and a surface fluorescent blithe has choice symbol. Each type of switch has a rotate metaphor and as a result get the various outlets. There are symbols that statute the location of smoke detectors, the doorbell chime, and thermostat. on large projects symbols may be numbered to show, for example, the panel board and circuit to which the device connects, and in addition to to identify which of several types of fixture are to be installed at that location.

subaru sti wiring diagram blog wiring diagram
subaru sti wiring diagram blog wiring diagram
A set of wiring diagrams may be required by the electrical inspection authority to take on relationship of the domicile to the public electrical supply system.
Wiring diagrams will moreover enhance panel schedules for circuit breaker panelboards, and riser diagrams for special facilities such as fire alarm or closed circuit television or additional special services.
You Might Also Like :
[gembloong_related_posts count=3]
2002 subaru impreza wiring diagram another picture:

subaru sti wiring diagram blog wiring diagram
subaru sti wiring diagram blog wiring diagram
subaru sti wiring diagram blog wiring diagram

















