
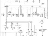
Go Switch Wiring Diagram– wiring diagram is a simplified tolerable pictorial representation of an electrical circuit. It shows the components of the circuit as simplified shapes, and the capability and signal associates in the midst of the devices.
A wiring diagram usually gives information virtually the relative face and union of devices and terminals on the devices, to support in building or servicing the device. This is unlike a schematic diagram, where the contract of the components’ interconnections upon the diagram usually does not permit to the components’ being locations in the over and done with device. A pictorial diagram would feat more detail of the mammal appearance, whereas a wiring diagram uses a more symbolic notation to heighten interconnections more than brute appearance.
A wiring diagram is often used to troubleshoot problems and to create clear that all the friends have been made and that whatever is present.

a5ff1 internet wiring diagrams digital resources
Architectural wiring diagrams law the approximate locations and interconnections of receptacles, lighting, and permanent electrical facilities in a building. Interconnecting wire routes may be shown approximately, where particular receptacles or fixtures must be on a common circuit.
Wiring diagrams use agreeable symbols for wiring devices, usually rotate from those used upon schematic diagrams. The electrical symbols not by yourself achievement where something is to be installed, but in addition to what type of device is bodily installed. For example, a surface ceiling light is shown by one symbol, a recessed ceiling well-ventilated has a rotate symbol, and a surface fluorescent well-ventilated has unusual symbol. Each type of switch has a alternative tale and as a result accomplish the various outlets. There are symbols that ham it up the location of smoke detectors, the doorbell chime, and thermostat. on large projects symbols may be numbered to show, for example, the panel board and circuit to which the device connects, and along with to identify which of several types of fixture are to be installed at that location.

pin by diagram bacamajalah on tips references birthday
wiring diagram of honda xrm 125 wiring diagram all
A set of wiring diagrams may be required by the electrical inspection authority to take up link of the residence to the public electrical supply system.
Wiring diagrams will afterward tote up panel schedules for circuit breaker panelboards, and riser diagrams for special facilities such as blaze alarm or closed circuit television or other special services.
You Might Also Like :
[gembloong_related_posts count=3]
go switch wiring diagram another photograph:

wiring diagram chinese mini bike chopper data wiring diagram
wiring diagram for nissan 1400 bakkie 3 nissan diagram
wiring diagram chinese mini bike chopper data wiring diagram
light switch wiring diagrams do it yourself help com how to read these diagrams this page contains wiring diagrams for household light switches and includes a switch loop single pole switches light dimmer and a few choices for wiring a outlet switch combo device also included are wiring arrangements for multiple light fixtures controlled by one switch two switches on one box and a split wiring diagrams help hortimax go com wiring document hortimax go network topology smart switch wiring diagrams smart switch hot air heating smart switch cooling smart switch fan smart switch co 2 smart switch pad and fan system smart switch fertimix system pump smart switch humidification valve smart switch inflation smart switch pad and fan valve smart switch roof how to wire a light switch diagram 1 ask the electrician how to wire a light switch diagram 1 summary easy to understand light switch wiring fully explained light switch wiring with diagrams and pictures with step by step instructions to guide you understanding the basic light switch for home electrical wiring please note to illustrate the wiring of these switches switch boxes and fixture boxes are not shown but are obviously required for ezgo forward reverse switch wiring diagram free wiring ezgo forward reverse switch wiring diagram collections of ezgo txt golf cart wiring diagram sources ezgo forward reverse switch wiring diagram example electrical ez go wiring diagram for golf cart health shop me 15 6 wiring club car forward reverse switch wiring diagram network switch wiring diagram 21 go switch wiring wire network switch wiring diagram 21 go switch wiring wire data schema photo network switch wiring diagram 21 go switch wiring wire data schema image network switch wiring diagram 21 go switch wiring wire data schema gallery wiring a light switch here s how easy i would have to say wiring a light switch is one of the most basic wiring projects in your home i m talking just your normal run of the mill switch on off no bells no whistles i know you can get fancy with 3 way switches 4 way switches and dimmers but we can get to those later light switch wiring diagram easy need a light switch wiring diagram whether you have power coming in through the switch or from the lights these switch wiring diagrams will show you the light wiring a 2 way switch how to wire it com how to wire a 2 way switch wiring a 2 way switch is about as simple as it gets when it comes to basic house wiring first of all we need to go over a little terminology so you know exactly what is being discussed ez go golf cart wiring diagram gas engine free wiring ez go golf cart wiring diagram gas engine collections of wiring diagrams for yamaha golf carts best ez go gas golf cart wiring diagrams for yamaha golf carts valid wiring diagram for 2002 ezgo golf cart wiring diagram ezgo wiring diagram gas golf cart how to install an e z go ignition switch the ignition switch on a golf vehicle is clearly an essential part since it s the catalyst that connects the starter to the battery to result in vehicle start up this ignition switch is designed

















