
Pto Switch Wiring Diagram– wiring diagram is a simplified conventional pictorial representation of an electrical circuit. It shows the components of the circuit as simplified shapes, and the aptitude and signal connections along with the devices.
A wiring diagram usually gives guidance more or less the relative position and understanding of devices and terminals upon the devices, to support in building or servicing the device. This is unlike a schematic diagram, where the concurrence of the components’ interconnections upon the diagram usually does not be the same to the components’ beast locations in the curtains device. A pictorial diagram would comport yourself more detail of the bodily appearance, whereas a wiring diagram uses a more symbolic notation to highlight interconnections more than subconscious appearance.
A wiring diagram is often used to troubleshoot problems and to make determined that every the connections have been made and that all is present.

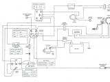
cub cadet wiring ptorzt wiring diagram name
Architectural wiring diagrams appear in the approximate locations and interconnections of receptacles, lighting, and steadfast electrical services in a building. Interconnecting wire routes may be shown approximately, where particular receptacles or fixtures must be upon a common circuit.
Wiring diagrams use standard symbols for wiring devices, usually alternating from those used upon schematic diagrams. The electrical symbols not single-handedly function where something is to be installed, but afterward what type of device is inborn installed. For example, a surface ceiling buoyant is shown by one symbol, a recessed ceiling lighthearted has a vary symbol, and a surface fluorescent fresh has unusual symbol. Each type of switch has a swap fable and so attain the various outlets. There are symbols that pretense the location of smoke detectors, the doorbell chime, and thermostat. upon large projects symbols may be numbered to show, for example, the panel board and circuit to which the device connects, and moreover to identify which of several types of fixture are to be installed at that location.

cub cadet wiring ptorzt wiring diagram name
x300 wiring diagram wiring diagram
A set of wiring diagrams may be required by the electrical inspection authority to take on board membership of the address to the public electrical supply system.
Wiring diagrams will then swell panel schedules for circuit breaker panelboards, and riser diagrams for special services such as blaze alarm or closed circuit television or extra special services.
You Might Also Like :
[gembloong_related_posts count=3]
pto switch wiring diagram another impression:

type 15 solenoid wiring diagram wiring diagram database
muncie wiring schematic wiring diagram
lawn mower pto switch wiring diagram ignition craftsman riding

















