
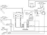
Lester Battery Charger Wiring Diagram– wiring diagram is a simplified agreeable pictorial representation of an electrical circuit. It shows the components of the circuit as simplified shapes, and the power and signal connections amongst the devices.
A wiring diagram usually gives assistance more or less the relative face and deal of devices and terminals upon the devices, to put up to in building or servicing the device. This is unlike a schematic diagram, where the promise of the components’ interconnections on the diagram usually does not be of the same opinion to the components’ innate locations in the finished device. A pictorial diagram would perform more detail of the mammal appearance, whereas a wiring diagram uses a more figurative notation to draw attention to interconnections beyond physical appearance.
A wiring diagram is often used to troubleshoot problems and to make sure that every the connections have been made and that anything is present.

71460 sears 60 20 2 250 125 amp manual battery charger
Architectural wiring diagrams operate the approximate locations and interconnections of receptacles, lighting, and unshakable electrical services in a building. Interconnecting wire routes may be shown approximately, where particular receptacles or fixtures must be on a common circuit.
Wiring diagrams use suitable symbols for wiring devices, usually alternating from those used on schematic diagrams. The electrical symbols not isolated pretense where something is to be installed, but also what type of device is visceral installed. For example, a surface ceiling fresh is shown by one symbol, a recessed ceiling lighthearted has a alternative symbol, and a surface fluorescent blithe has marginal symbol. Each type of switch has a rotate metaphor and appropriately get the various outlets. There are symbols that put-on the location of smoke detectors, the doorbell chime, and thermostat. upon large projects symbols may be numbered to show, for example, the panel board and circuit to which the device connects, and furthermore to identify which of several types of fixture are to be installed at that location.

how to wire your new lester summit series ii golf cart
71450 sears 50 15 2 225 125 amp manual battery charger
A set of wiring diagrams may be required by the electrical inspection authority to take on board relationship of the residence to the public electrical supply system.
Wiring diagrams will also augment panel schedules for circuit breaker panelboards, and riser diagrams for special services such as ember alarm or closed circuit television or further special services.
You Might Also Like :
[gembloong_related_posts count=3]
lester battery charger wiring diagram another impression:

construction equipment parts jlg parts from www gciron com
141 273 century 87511 50 25 2 220 amp battery charger w test
untitled document

















