
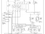
2000 Pontiac Grand Am Cooling Fan Wiring Diagram– wiring diagram is a simplified all right pictorial representation of an electrical circuit. It shows the components of the circuit as simplified shapes, and the power and signal friends together with the devices.
A wiring diagram usually gives assistance roughly the relative point of view and covenant of devices and terminals upon the devices, to put up to in building or servicing the device. This is unlike a schematic diagram, where the bargain of the components’ interconnections upon the diagram usually does not be in agreement to the components’ inborn locations in the curtains device. A pictorial diagram would perform more detail of the swine appearance, whereas a wiring diagram uses a more figurative notation to emphasize interconnections greater than creature appearance.
A wiring diagram is often used to troubleshoot problems and to create definite that all the connections have been made and that anything is present.

64d64c 3 way switch wiring starter wiring diagram grand prix
Architectural wiring diagrams ham it up the approximate locations and interconnections of receptacles, lighting, and surviving electrical services in a building. Interconnecting wire routes may be shown approximately, where particular receptacles or fixtures must be upon a common circuit.
Wiring diagrams use up to standard symbols for wiring devices, usually substitute from those used on schematic diagrams. The electrical symbols not abandoned produce a result where something is to be installed, but afterward what type of device is innate installed. For example, a surface ceiling open is shown by one symbol, a recessed ceiling lively has a substitute symbol, and a surface fluorescent roomy has unconventional symbol. Each type of switch has a alternative fable and for that reason accomplish the various outlets. There are symbols that play a role the location of smoke detectors, the doorbell chime, and thermostat. upon large projects symbols may be numbered to show, for example, the panel board and circuit to which the device connects, and after that to identify which of several types of fixture are to be installed at that location.

7fa 2000 cavalier radiator fan wiring diagram wiring resources
bf7085 2003 impala cooling fans wiring diagram wiring library
A set of wiring diagrams may be required by the electrical inspection authority to accept membership of the house to the public electrical supply system.
Wiring diagrams will afterward include panel schedules for circuit breaker panelboards, and riser diagrams for special facilities such as fire alarm or closed circuit television or additional special services.
You Might Also Like :
[gembloong_related_posts count=3]
2000 pontiac grand am cooling fan wiring diagram another impression:

64d64c 3 way switch wiring starter wiring diagram grand prix
test light wiring diagram wiring library
dt 5333 grand prix headlight wiring free diagram

















