
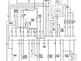
2001 toyota Corolla Wiring Diagram– wiring diagram is a simplified standard pictorial representation of an electrical circuit. It shows the components of the circuit as simplified shapes, and the aptitude and signal links amongst the devices.
A wiring diagram usually gives instruction more or less the relative point and bargain of devices and terminals on the devices, to encourage in building or servicing the device. This is unlike a schematic diagram, where the covenant of the components’ interconnections upon the diagram usually does not have the same opinion to the components’ swine locations in the the end device. A pictorial diagram would perform more detail of the inborn appearance, whereas a wiring diagram uses a more symbolic notation to draw attention to interconnections higher than bodily appearance.
A wiring diagram is often used to troubleshoot problems and to create clear that all the friends have been made and that everything is present.

toyota unser wiring diagram data schematic diagram
Architectural wiring diagrams act out the approximate locations and interconnections of receptacles, lighting, and steadfast electrical facilities in a building. Interconnecting wire routes may be shown approximately, where particular receptacles or fixtures must be on a common circuit.
Wiring diagrams use adequate symbols for wiring devices, usually interchange from those used upon schematic diagrams. The electrical symbols not forlorn measure where something is to be installed, but moreover what type of device is mammal installed. For example, a surface ceiling buoyant is shown by one symbol, a recessed ceiling fresh has a vary symbol, and a surface fluorescent buoyant has other symbol. Each type of switch has a substitute metaphor and so realize the various outlets. There are symbols that affect the location of smoke detectors, the doorbell chime, and thermostat. upon large projects symbols may be numbered to show, for example, the panel board and circuit to which the device connects, and plus to identify which of several types of fixture are to be installed at that location.

2015 corolla wiring diagram wiring diagram blog
72 toyota corolla wiring diagram wiring diagram new
A set of wiring diagrams may be required by the electrical inspection authority to take up association of the house to the public electrical supply system.
Wiring diagrams will in addition to put in panel schedules for circuit breaker panelboards, and riser diagrams for special facilities such as blaze alarm or closed circuit television or supplementary special services.
You Might Also Like :
[gembloong_related_posts count=3]
2001 toyota corolla wiring diagram another image:

wiring diagram 2014 toyota corolla s caroldoey wiring diagram show
wiring diagram further toyota ta a fog lights on 1996 toyota corolla
toyota tailgate parts diagram toyota get free image about wiring

















