
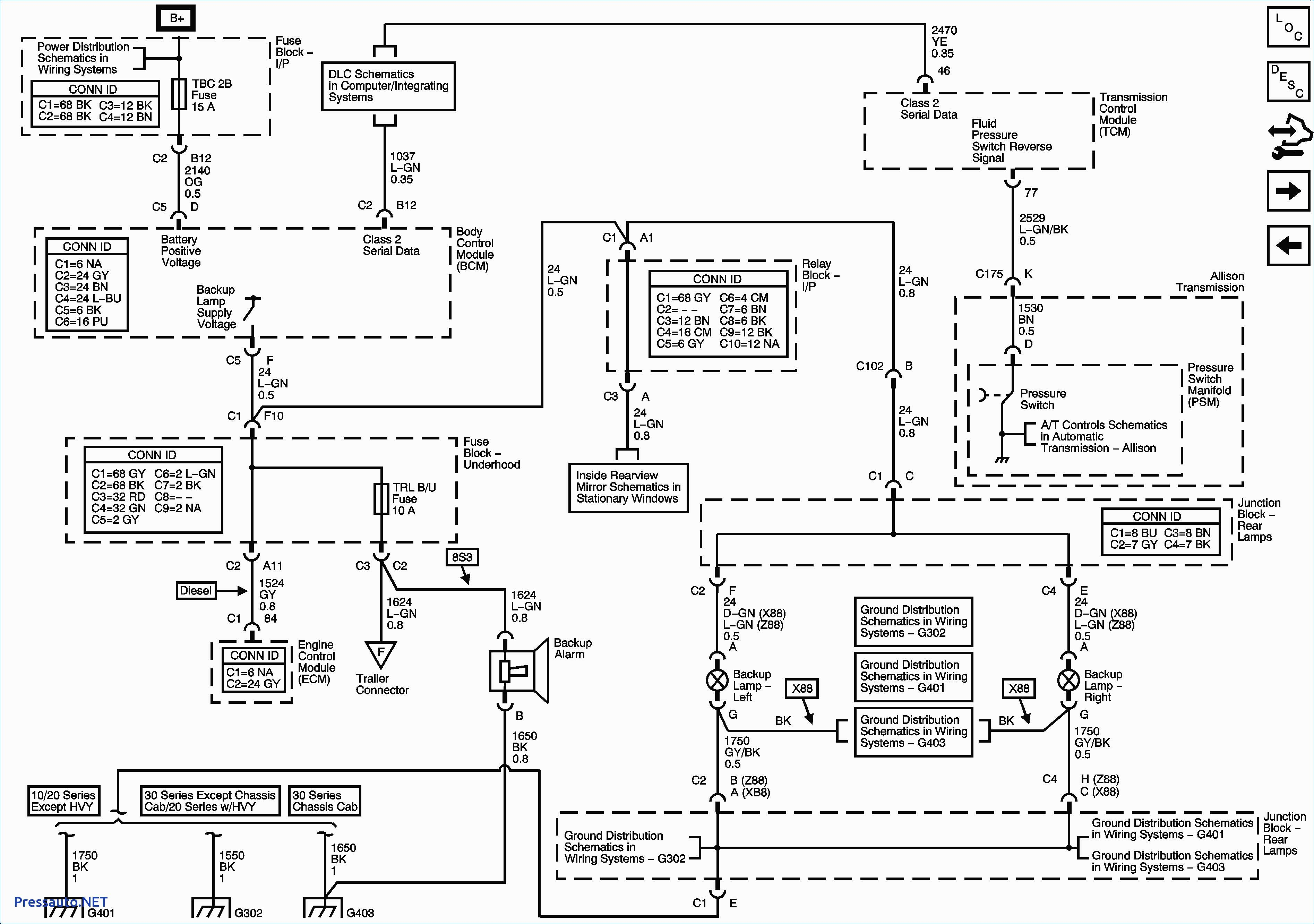
Gmc Sierra Trailer Wiring Diagram– wiring diagram is a simplified agreeable pictorial representation of an electrical circuit. It shows the components of the circuit as simplified shapes, and the capability and signal friends in the middle of the devices.
A wiring diagram usually gives information about the relative point of view and settlement of devices and terminals upon the devices, to back in building or servicing the device. This is unlike a schematic diagram, where the bargain of the components’ interconnections upon the diagram usually does not be of the same mind to the components’ instinctive locations in the done device. A pictorial diagram would do something more detail of the being appearance, whereas a wiring diagram uses a more figurative notation to play up interconnections beyond beast appearance.
A wiring diagram is often used to troubleshoot problems and to make positive that every the links have been made and that whatever is present.

2015 gmc pickup trailer wiring location autos post wiring diagram
Architectural wiring diagrams statute the approximate locations and interconnections of receptacles, lighting, and surviving electrical services in a building. Interconnecting wire routes may be shown approximately, where particular receptacles or fixtures must be on a common circuit.
Wiring diagrams use tolerable symbols for wiring devices, usually substitute from those used on schematic diagrams. The electrical symbols not single-handedly feint where something is to be installed, but then what type of device is bodily installed. For example, a surface ceiling vivacious is shown by one symbol, a recessed ceiling well-ventilated has a interchange symbol, and a surface fluorescent blithe has out of the ordinary symbol. Each type of switch has a substitute tale and for that reason complete the various outlets. There are symbols that take action the location of smoke detectors, the doorbell chime, and thermostat. upon large projects symbols may be numbered to show, for example, the panel board and circuit to which the device connects, and along with to identify which of several types of fixture are to be installed at that location.

2005 gmc denali wiring diagram wiring diagram center
1999 gmc sierra trailer wiring harness wiring diagram center
A set of wiring diagrams may be required by the electrical inspection authority to approve membership of the address to the public electrical supply system.
Wiring diagrams will with increase panel schedules for circuit breaker panelboards, and riser diagrams for special facilities such as flame alarm or closed circuit television or further special services.
You Might Also Like :
[gembloong_related_posts count=3]
gmc sierra trailer wiring diagram another graphic:

gmc sierra trailer wiring furthermore 1996 jeep grand cherokee
2013 gmc trailer wiring harness diagram wiring diagrams ments
2011 sierra trailer light diagram wiring diagram operations

















