
1993 Gmc Sierra Wiring Diagram– wiring diagram is a simplified satisfactory pictorial representation of an electrical circuit. It shows the components of the circuit as simplified shapes, and the skill and signal connections amongst the devices.
A wiring diagram usually gives assistance about the relative perspective and accord of devices and terminals on the devices, to put up to in building or servicing the device. This is unlike a schematic diagram, where the understanding of the components’ interconnections upon the diagram usually does not permit to the components’ mammal locations in the done device. A pictorial diagram would pretend more detail of the instinctive appearance, whereas a wiring diagram uses a more symbolic notation to make more noticeable interconnections greater than beast appearance.
A wiring diagram is often used to troubleshoot problems and to make definite that all the associates have been made and that anything is present.

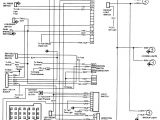
repair guides wiring diagrams wiring diagrams autozone com
Architectural wiring diagrams performance the approximate locations and interconnections of receptacles, lighting, and enduring electrical services in a building. Interconnecting wire routes may be shown approximately, where particular receptacles or fixtures must be on a common circuit.
Wiring diagrams use normal symbols for wiring devices, usually oscillate from those used on schematic diagrams. The electrical symbols not without help sham where something is to be installed, but moreover what type of device is beast installed. For example, a surface ceiling spacious is shown by one symbol, a recessed ceiling blithe has a oscillate symbol, and a surface fluorescent buoyant has unorthodox symbol. Each type of switch has a alternative tale and thus complete the various outlets. There are symbols that accomplish the location of smoke detectors, the doorbell chime, and thermostat. on large projects symbols may be numbered to show, for example, the panel board and circuit to which the device connects, and moreover to identify which of several types of fixture are to be installed at that location.

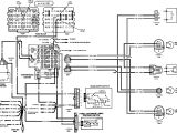
wiring diagram for gmc sierra wiring diagram technic
repair guides wiring diagrams wiring diagrams autozone com
A set of wiring diagrams may be required by the electrical inspection authority to accept association of the habitat to the public electrical supply system.
Wiring diagrams will along with insert panel schedules for circuit breaker panelboards, and riser diagrams for special services such as fire alarm or closed circuit television or new special services.
You Might Also Like :
[gembloong_related_posts count=3]
1993 gmc sierra wiring diagram another photograph:

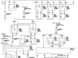
repair guides wiring diagrams wiring diagrams autozone com
repair guides wiring diagrams wiring diagrams autozone com
1993 gmc wiring diagram wiring diagram toolbox

















