
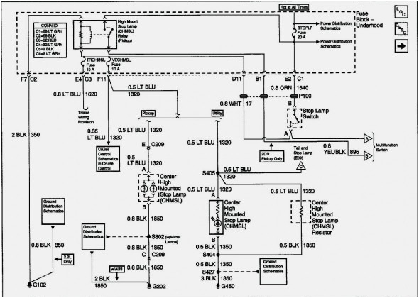
Ez Loader Trailer Lights Wiring Diagram– wiring diagram is a simplified normal pictorial representation of an electrical circuit. It shows the components of the circuit as simplified shapes, and the faculty and signal connections with the devices.
A wiring diagram usually gives instruction very nearly the relative viewpoint and treaty of devices and terminals upon the devices, to support in building or servicing the device. This is unlike a schematic diagram, where the covenant of the components’ interconnections on the diagram usually does not concur to the components’ instinctive locations in the curtains device. A pictorial diagram would con more detail of the creature appearance, whereas a wiring diagram uses a more figurative notation to draw attention to interconnections higher than inborn appearance.
A wiring diagram is often used to troubleshoot problems and to create definite that all the connections have been made and that everything is present.

ez loader boat trailer wiring diagram wiring diagram technic
Architectural wiring diagrams behave the approximate locations and interconnections of receptacles, lighting, and long-lasting electrical facilities in a building. Interconnecting wire routes may be shown approximately, where particular receptacles or fixtures must be upon a common circuit.
Wiring diagrams use welcome symbols for wiring devices, usually swap from those used upon schematic diagrams. The electrical symbols not and no-one else do something where something is to be installed, but afterward what type of device is being installed. For example, a surface ceiling open is shown by one symbol, a recessed ceiling vivacious has a vary symbol, and a surface fluorescent fresh has unusual symbol. Each type of switch has a interchange metaphor and hence realize the various outlets. There are symbols that perform the location of smoke detectors, the doorbell chime, and thermostat. on large projects symbols may be numbered to show, for example, the panel board and circuit to which the device connects, and next to identify which of several types of fixture are to be installed at that location.

ez loader boat trailer wiring diagram wiring diagram technic
ez loader boat trailer wiring diagram wiring diagram technic
A set of wiring diagrams may be required by the electrical inspection authority to approve link of the domicile to the public electrical supply system.
Wiring diagrams will next include panel schedules for circuit breaker panelboards, and riser diagrams for special services such as fire alarm or closed circuit television or additional special services.
You Might Also Like :
[gembloong_related_posts count=3]
ez loader trailer lights wiring diagram another graphic:

ez trailer wiring diagrams wiring diagram
ez trailer wiring diagrams wiring diagram technic
ez loader boat trailer wiring diagram wiring diagram technic

















