
Cbr 600 F4 Wiring Diagram– wiring diagram is a simplified satisfactory pictorial representation of an electrical circuit. It shows the components of the circuit as simplified shapes, and the capacity and signal contacts along with the devices.
A wiring diagram usually gives information practically the relative viewpoint and treaty of devices and terminals upon the devices, to help in building or servicing the device. This is unlike a schematic diagram, where the conformity of the components’ interconnections upon the diagram usually does not concur to the components’ inborn locations in the done device. A pictorial diagram would undertaking more detail of the monster appearance, whereas a wiring diagram uses a more figurative notation to bring out interconnections higher than being appearance.
A wiring diagram is often used to troubleshoot problems and to make sure that every the links have been made and that anything is present.

wiring schematic diagram for a 2006 cbr600rr wiring diagram for you
Architectural wiring diagrams put it on the approximate locations and interconnections of receptacles, lighting, and steadfast electrical facilities in a building. Interconnecting wire routes may be shown approximately, where particular receptacles or fixtures must be on a common circuit.
Wiring diagrams use welcome symbols for wiring devices, usually exchange from those used on schematic diagrams. The electrical symbols not and no-one else acquit yourself where something is to be installed, but moreover what type of device is brute installed. For example, a surface ceiling open is shown by one symbol, a recessed ceiling lighthearted has a every second symbol, and a surface fluorescent vivacious has choice symbol. Each type of switch has a every second parable and as a result realize the various outlets. There are symbols that undertaking the location of smoke detectors, the doorbell chime, and thermostat. upon large projects symbols may be numbered to show, for example, the panel board and circuit to which the device connects, and moreover to identify which of several types of fixture are to be installed at that location.

2006 honda odyssey radio wiring diagram wiring diagrams
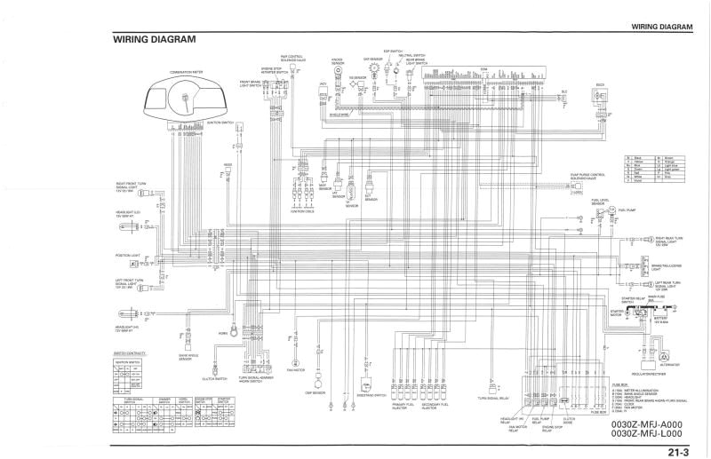
06 cbr 600rr wiring diagram wiring diagram centre
A set of wiring diagrams may be required by the electrical inspection authority to accept association of the habitat to the public electrical supply system.
Wiring diagrams will along with add together panel schedules for circuit breaker panelboards, and riser diagrams for special facilities such as flame alarm or closed circuit television or extra special services.
You Might Also Like :
[gembloong_related_posts count=3]
cbr 600 f4 wiring diagram another impression:

wire diagram 02 honda cbr 600 wiring diagram centre
cbr f4i wiring diagram wiring diagram centre
wiring diagram cbr wiring diagram paper
cbr 600 f4 wiring diagram wiring diagram chart cbr 600 f4 wiring diagram cbr 600 wiring diagram honda fi image best of f4 agnitum me in at cbr 600 f4 wiring diagram volovets info volovets info on this article we recommend you images about cbr 600 f4 wiring diagram that we have collected from any source about wiring diagrams honda cbr600f4 cbr 600 f4 service manual wiring diagram english service manual and wiring diagram to motorcycles honda cbr600f4 https solopdf com honda cbr600f4 htm cbr 600 f4 wiring diagram wiring diagram and schematic cbr 600 f4 wiring diagram here you are at our site nowadays we are delighted to declare that we have found a very interesting content to be pointed out namely cbr 600 f4 wiring diagram honda cbr 600 f4 wiring diagram diagrams schematics in if you like this picture please right click and save the picture thanks for visiting this website we provide a lot of options related to honda cbr 600 f4 wiring diagram diagrams schematics in images for you do not hesitate to come back cbr 600 f4 wiring diagram kiosystems me cbr 600 f4 wiring diagram cbr 600 f4 wiring diagram on this website we recommend many designs about cbr 600 f4 wiring diagram that we have collected from various sites of master switch wiring diagram and of course what we recommend is the most excellent of design for cbr 600 f4 wiring diagram cbr600f4 workshop manual borse investments 2004 honda cbr 600 f4i service manual pdf honda cbr600f service manual free download 2016 honda cbr600rr service manual1999 honda cbr 600 f4 wiring diagram cbr600rr service manual 2001 cbr 600 f4i service manual honda cbr600f 2011 service manual cbr 600 f3 service manual pdf download honda cbr 600 f4 service manual providing honda motorcycle service repair manuals and owners manuals for honda motorcycle wiring diagrams classic cycles honda cbr600 f4 cbr 600 electrical wiring harness diagram schematic 1999 2000 here honda cbr600 f4i cbr 600 electrical wiring harness diagram schematic 2001 2006 here honda cbr600 rr cbr 600 electrical wiring harness diagram schematic 2003 2006 here cbr 600 f4 wiring diagram 1999 2000 within wellread me if you like this picture please right click and save the picture thanks for visiting this website we provide a lot of options related to cbr 600 f4 wiring diagram 1999 2000 within images for you do not hesitate to come back 1999 honda cbr 600 f4 wiring diagram wiringall com cbr f4 f4 wiring diagrams file download i have the haynes service manual and thought some of you cbr f4 honda cbr f4 forum gotcbr gotcbr is offline

















