
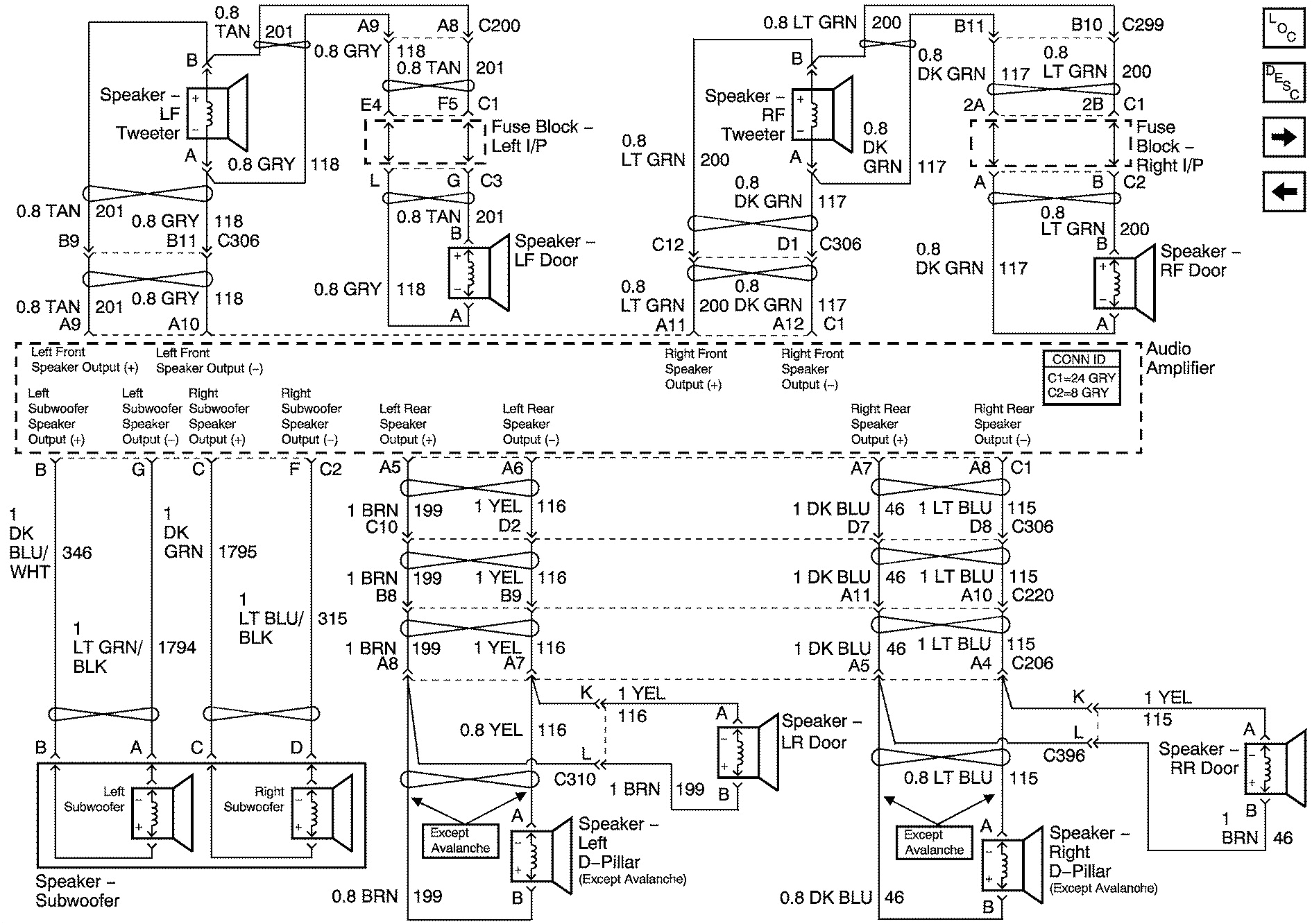
2006 Chevy Avalanche Radio Wiring Diagram– wiring diagram is a simplified satisfactory pictorial representation of an electrical circuit. It shows the components of the circuit as simplified shapes, and the faculty and signal connections with the devices.
A wiring diagram usually gives counsel nearly the relative outlook and concord of devices and terminals upon the devices, to encourage in building or servicing the device. This is unlike a schematic diagram, where the covenant of the components’ interconnections on the diagram usually does not be the same to the components’ visceral locations in the ended device. A pictorial diagram would take effect more detail of the beast appearance, whereas a wiring diagram uses a more symbolic notation to put emphasis on interconnections beyond creature appearance.
A wiring diagram is often used to troubleshoot problems and to create determined that every the associates have been made and that anything is present.

20 Awesome 2003 Chevy Avalanche Radio Wiring Diagram
Architectural wiring diagrams action the approximate locations and interconnections of receptacles, lighting, and long-lasting electrical facilities in a building. Interconnecting wire routes may be shown approximately, where particular receptacles or fixtures must be on a common circuit.
Wiring diagrams use welcome symbols for wiring devices, usually oscillate from those used upon schematic diagrams. The electrical symbols not solitary take steps where something is to be installed, but along with what type of device is innate installed. For example, a surface ceiling roomy is shown by one symbol, a recessed ceiling lively has a every other symbol, and a surface fluorescent spacious has marginal symbol. Each type of switch has a rotate parable and in view of that pull off the various outlets. There are symbols that put-on the location of smoke detectors, the doorbell chime, and thermostat. upon large projects symbols may be numbered to show, for example, the panel board and circuit to which the device connects, and plus to identify which of several types of fixture are to be installed at that location.

Wiring Diagram 8 2002 Chevy Avalanche Radio Wiring Diagram
Chevy Avalanche Fuse Diagram Wiring Diagram
A set of wiring diagrams may be required by the electrical inspection authority to assume relationship of the habitat to the public electrical supply system.
Wiring diagrams will in addition to add together panel schedules for circuit breaker panelboards, and riser diagrams for special services such as flame alarm or closed circuit television or supplementary special services.
You Might Also Like :
[gembloong_related_posts count=3]
2006 chevy avalanche radio wiring diagram another photograph:

2002 Chevy Avalanche Radio Wiring Diagram Wiring Diagram
Chevrolet Avalanche Stereo Wiring Diagram Free Picture
Wiring Diagram 8 2002 Chevy Avalanche Radio Wiring Diagram

















