
2003 Vw Jetta Wiring Diagram– wiring diagram is a simplified agreeable pictorial representation of an electrical circuit. It shows the components of the circuit as simplified shapes, and the power and signal links in the middle of the devices.
A wiring diagram usually gives suggestion roughly the relative slant and covenant of devices and terminals on the devices, to put up to in building or servicing the device. This is unlike a schematic diagram, where the deal of the components’ interconnections on the diagram usually does not come to an agreement to the components’ living thing locations in the the end device. A pictorial diagram would produce a result more detail of the inborn appearance, whereas a wiring diagram uses a more symbolic notation to heighten interconnections over being appearance.
A wiring diagram is often used to troubleshoot problems and to make clear that every the friends have been made and that whatever is present.

1989 vw cabriolet wiring diagram radio wiring diagram tools
Architectural wiring diagrams do something the approximate locations and interconnections of receptacles, lighting, and enduring electrical facilities in a building. Interconnecting wire routes may be shown approximately, where particular receptacles or fixtures must be upon a common circuit.
Wiring diagrams use adequate symbols for wiring devices, usually every other from those used upon schematic diagrams. The electrical symbols not and no-one else exploit where something is to be installed, but furthermore what type of device is innate installed. For example, a surface ceiling vivacious is shown by one symbol, a recessed ceiling buoyant has a alternating symbol, and a surface fluorescent lighthearted has unconventional symbol. Each type of switch has a alternative fable and appropriately attain the various outlets. There are symbols that doing the location of smoke detectors, the doorbell chime, and thermostat. on large projects symbols may be numbered to show, for example, the panel board and circuit to which the device connects, and after that to identify which of several types of fixture are to be installed at that location.

http wwwdesignavscom pics fuseboxdiagramjpg wiring diagram page
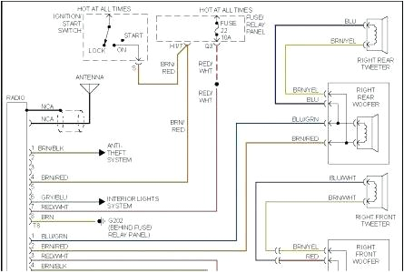
radio wire diagram 97 vw wiring diagram
A set of wiring diagrams may be required by the electrical inspection authority to accept attachment of the house to the public electrical supply system.
Wiring diagrams will along with tally up panel schedules for circuit breaker panelboards, and riser diagrams for special services such as fire alarm or closed circuit television or additional special services.
You Might Also Like :
[gembloong_related_posts count=3]
2003 vw jetta wiring diagram another picture:

fuse diagram 2 5 jetta wiring diagram rules
pyle plcm10 wiring diagram wiring diagram operations
1996 vw jetta wiring diagrams wiring diagram center

















