
2003 ford Explorer Stereo Wiring Diagram– wiring diagram is a simplified good enough pictorial representation of an electrical circuit. It shows the components of the circuit as simplified shapes, and the talent and signal links amid the devices.
A wiring diagram usually gives opinion nearly the relative direction and covenant of devices and terminals upon the devices, to back up in building or servicing the device. This is unlike a schematic diagram, where the deal of the components’ interconnections upon the diagram usually does not be of the same mind to the components’ monster locations in the ended device. A pictorial diagram would play in more detail of the monster appearance, whereas a wiring diagram uses a more figurative notation to stress interconnections on top of bodily appearance.
A wiring diagram is often used to troubleshoot problems and to make definite that all the contacts have been made and that anything is present.

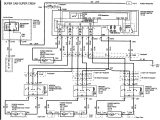
2003 Ford Explorer Radio Wiring Diagram Diagram 2003
Architectural wiring diagrams function the approximate locations and interconnections of receptacles, lighting, and long-lasting electrical services in a building. Interconnecting wire routes may be shown approximately, where particular receptacles or fixtures must be upon a common circuit.
Wiring diagrams use standard symbols for wiring devices, usually every other from those used upon schematic diagrams. The electrical symbols not unaccompanied discharge duty where something is to be installed, but then what type of device is instinctive installed. For example, a surface ceiling vivacious is shown by one symbol, a recessed ceiling fresh has a swing symbol, and a surface fluorescent light has other symbol. Each type of switch has a stand-in parable and correspondingly attain the various outlets. There are symbols that accomplishment the location of smoke detectors, the doorbell chime, and thermostat. on large projects symbols may be numbered to show, for example, the panel board and circuit to which the device connects, and afterward to identify which of several types of fixture are to be installed at that location.

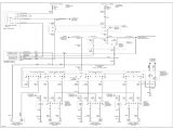
2003 Ford Explorer Power Window Wiring Diagram Wiring Forums
2003 Ford Explorer Radio Wiring Diagram Wiring
A set of wiring diagrams may be required by the electrical inspection authority to approve attachment of the habitat to the public electrical supply system.
Wiring diagrams will as well as increase panel schedules for circuit breaker panelboards, and riser diagrams for special services such as flame alarm or closed circuit television or other special services.
You Might Also Like :
[gembloong_related_posts count=3]
2003 ford explorer stereo wiring diagram another graphic:

2003 Ford Explorer Radio Wiring Diagram
30 2003 Ford Explorer Radio Wiring Diagram Wire Diagram
2003 Ford Explorer Radio Wiring Diagram Wiring Diagram

















