2006 Nissan Sentra Wiring Diagram


Warning: count(): Parameter must be an array or an object that implements Countable in /var/www/html/autocardesign.org/wp-content/themes/silegan-wordpress-theme/inc/themeson.class.php on line 625
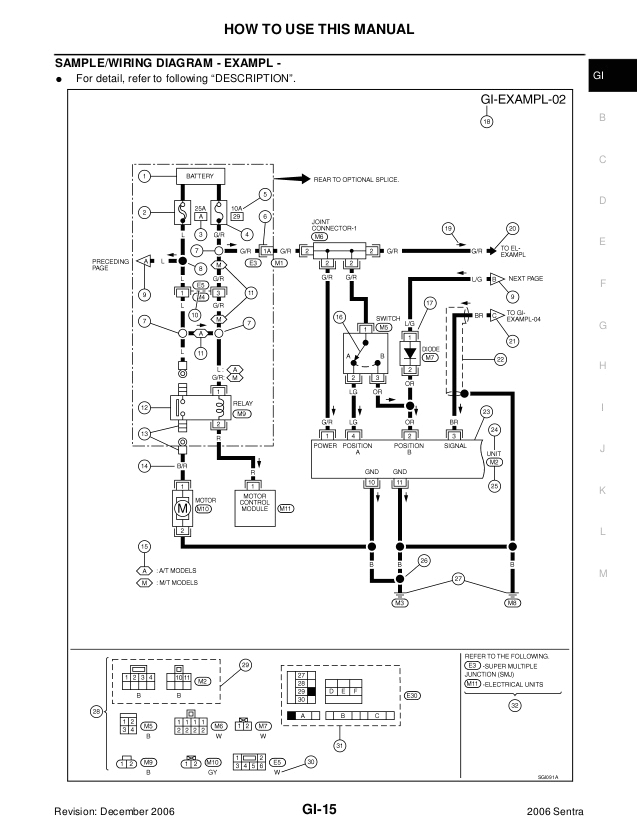
2006 Nissan Sentra Wiring Diagram 2006 Nissan Sentra Service Repair Manual
2006 Nissan Sentra Wiring Diagram 2006 Nissan Sentra Service Repair Manual
See also  2014 Nissan Maxima Radio Wiring Diagram