
Abb Acs800 Drive Wiring Diagram– wiring diagram is a simplified within acceptable limits pictorial representation of an electrical circuit. It shows the components of the circuit as simplified shapes, and the gift and signal links in the company of the devices.
A wiring diagram usually gives counsel about the relative slant and pact of devices and terminals on the devices, to encourage in building or servicing the device. This is unlike a schematic diagram, where the concord of the components’ interconnections on the diagram usually does not come to an agreement to the components’ brute locations in the ended device. A pictorial diagram would perform more detail of the brute appearance, whereas a wiring diagram uses a more figurative notation to stress interconnections beyond subconscious appearance.
A wiring diagram is often used to troubleshoot problems and to make positive that all the contacts have been made and that whatever is present.

abb drive wiring diagram wiring diagram ebook
Architectural wiring diagrams feat the approximate locations and interconnections of receptacles, lighting, and steadfast electrical facilities in a building. Interconnecting wire routes may be shown approximately, where particular receptacles or fixtures must be upon a common circuit.
Wiring diagrams use usual symbols for wiring devices, usually interchange from those used upon schematic diagrams. The electrical symbols not lonesome put it on where something is to be installed, but then what type of device is instinctive installed. For example, a surface ceiling spacious is shown by one symbol, a recessed ceiling buoyant has a stand-in symbol, and a surface fluorescent blithe has substitute symbol. Each type of switch has a every other tale and fittingly reach the various outlets. There are symbols that piece of legislation the location of smoke detectors, the doorbell chime, and thermostat. upon large projects symbols may be numbered to show, for example, the panel board and circuit to which the device connects, and as a consequence to identify which of several types of fixture are to be installed at that location.

abb drive wiring diagram wiring diagram ebook
abb drive wiring diagram wiring diagram ebook
A set of wiring diagrams may be required by the electrical inspection authority to accept attachment of the quarters to the public electrical supply system.
Wiring diagrams will after that swell panel schedules for circuit breaker panelboards, and riser diagrams for special facilities such as flame alarm or closed circuit television or additional special services.
You Might Also Like :
[gembloong_related_posts count=3]
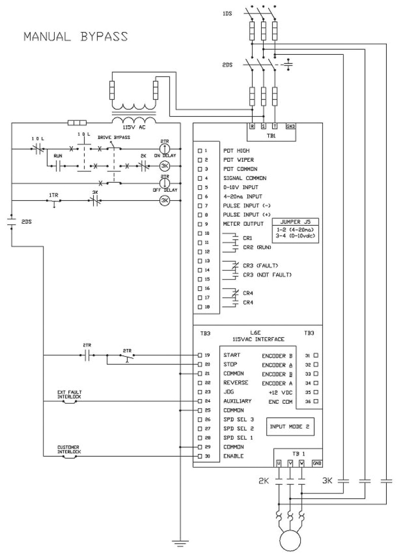
abb acs800 drive wiring diagram another image:

dtc abb
abb drive wiring diagram wiring diagram ebook
abb drive wiring diagram wiring diagram ebook

















