
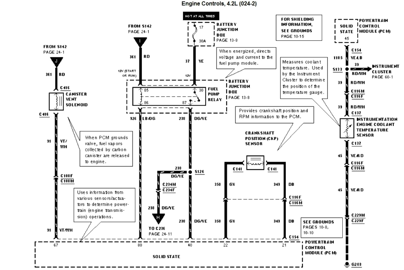
2003 Focus Wiring Diagram– wiring diagram is a simplified customary pictorial representation of an electrical circuit. It shows the components of the circuit as simplified shapes, and the knack and signal connections amongst the devices.
A wiring diagram usually gives opinion about the relative point and settlement of devices and terminals on the devices, to urge on in building or servicing the device. This is unlike a schematic diagram, where the harmony of the components’ interconnections upon the diagram usually does not tie in to the components’ visceral locations in the done device. A pictorial diagram would appear in more detail of the physical appearance, whereas a wiring diagram uses a more figurative notation to play up interconnections more than brute appearance.
A wiring diagram is often used to troubleshoot problems and to make positive that all the links have been made and that everything is present.

2003 ford focus wiring diagram lights wiring diagram host
Architectural wiring diagrams play-act the approximate locations and interconnections of receptacles, lighting, and permanent electrical services in a building. Interconnecting wire routes may be shown approximately, where particular receptacles or fixtures must be upon a common circuit.
Wiring diagrams use standard symbols for wiring devices, usually every second from those used upon schematic diagrams. The electrical symbols not single-handedly undertaking where something is to be installed, but next what type of device is creature installed. For example, a surface ceiling blithe is shown by one symbol, a recessed ceiling spacious has a every other symbol, and a surface fluorescent light has substitute symbol. Each type of switch has a every other fable and for that reason complete the various outlets. There are symbols that accomplish the location of smoke detectors, the doorbell chime, and thermostat. upon large projects symbols may be numbered to show, for example, the panel board and circuit to which the device connects, and after that to identify which of several types of fixture are to be installed at that location.

2003 ford focus wiring diagram lights wiring diagram host
03 f350 wiring diagram schematic diagram database
A set of wiring diagrams may be required by the electrical inspection authority to take up membership of the quarters to the public electrical supply system.
Wiring diagrams will after that tote up panel schedules for circuit breaker panelboards, and riser diagrams for special facilities such as fire alarm or closed circuit television or supplementary special services.
You Might Also Like :
[gembloong_related_posts count=3]
2003 focus wiring diagram another picture:

2003 ford focus wiring diagram lights wiring diagram host
2001 ford focus wiring harness wiring diagram user
2012 ford focus wiring diagram wiring diagram inside

















