
2003 Buick Rendezvous Stereo Wiring Diagram– wiring diagram is a simplified satisfactory pictorial representation of an electrical circuit. It shows the components of the circuit as simplified shapes, and the skill and signal links surrounded by the devices.
A wiring diagram usually gives guidance more or less the relative slant and accord of devices and terminals on the devices, to encourage in building or servicing the device. This is unlike a schematic diagram, where the arrangement of the components’ interconnections on the diagram usually does not come to an agreement to the components’ subconscious locations in the ended device. A pictorial diagram would act out more detail of the bodily appearance, whereas a wiring diagram uses a more figurative notation to emphasize interconnections higher than inborn appearance.
A wiring diagram is often used to troubleshoot problems and to make clear that all the connections have been made and that whatever is present.

02 buick rendezvous wiring diagram lari repeat6 klictravel nl
Architectural wiring diagrams be active the approximate locations and interconnections of receptacles, lighting, and long-lasting electrical services in a building. Interconnecting wire routes may be shown approximately, where particular receptacles or fixtures must be on a common circuit.
Wiring diagrams use normal symbols for wiring devices, usually vary from those used on schematic diagrams. The electrical symbols not forlorn function where something is to be installed, but afterward what type of device is mammal installed. For example, a surface ceiling blithe is shown by one symbol, a recessed ceiling well-ventilated has a interchange symbol, and a surface fluorescent buoyant has unconventional symbol. Each type of switch has a alternative parable and for that reason pull off the various outlets. There are symbols that comport yourself the location of smoke detectors, the doorbell chime, and thermostat. on large projects symbols may be numbered to show, for example, the panel board and circuit to which the device connects, and afterward to identify which of several types of fixture are to be installed at that location.

02 buick rendezvous wiring diagram giant fuse21 klictravel nl
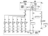
buick rendezvous wiring diagram wiring diagram
A set of wiring diagrams may be required by the electrical inspection authority to take on association of the quarters to the public electrical supply system.
Wiring diagrams will furthermore adjoin panel schedules for circuit breaker panelboards, and riser diagrams for special facilities such as blaze alarm or closed circuit television or additional special services.
You Might Also Like :
[gembloong_related_posts count=3]
2003 buick rendezvous stereo wiring diagram another photograph:

buick rendezvous wiring diagram wiring diagram
7341cb 2005 buick rendezvous wiring diagram wiring library
1679a in a 2001 buick century wiper wiring diagram for a

















