
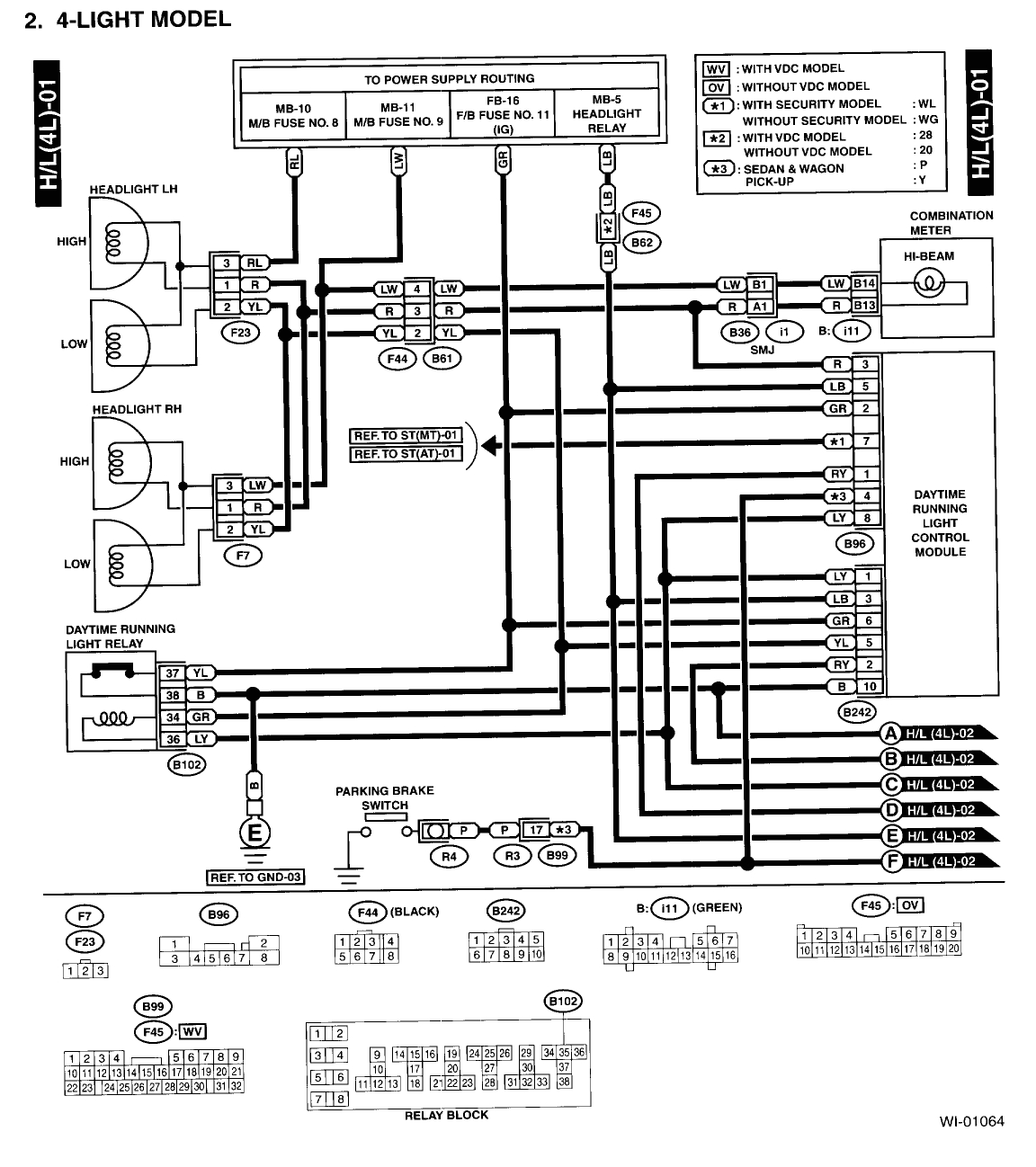
2004 Subaru Impreza Stereo Wiring Diagram– wiring diagram is a simplified up to standard pictorial representation of an electrical circuit. It shows the components of the circuit as simplified shapes, and the talent and signal connections together with the devices.
A wiring diagram usually gives instruction very nearly the relative slant and arrangement of devices and terminals upon the devices, to back up in building or servicing the device. This is unlike a schematic diagram, where the concord of the components’ interconnections upon the diagram usually does not settle to the components’ living thing locations in the ended device. A pictorial diagram would statute more detail of the visceral appearance, whereas a wiring diagram uses a more symbolic notation to play up interconnections more than creature appearance.
A wiring diagram is often used to troubleshoot problems and to create positive that every the friends have been made and that everything is present.

subaru sti wiring diagram blog wiring diagram
Architectural wiring diagrams fake the approximate locations and interconnections of receptacles, lighting, and enduring electrical services in a building. Interconnecting wire routes may be shown approximately, where particular receptacles or fixtures must be upon a common circuit.
Wiring diagrams use tolerable symbols for wiring devices, usually different from those used upon schematic diagrams. The electrical symbols not lonely affect where something is to be installed, but after that what type of device is monster installed. For example, a surface ceiling blithe is shown by one symbol, a recessed ceiling spacious has a swing symbol, and a surface fluorescent lighthearted has unusual symbol. Each type of switch has a every second parable and appropriately do the various outlets. There are symbols that affect the location of smoke detectors, the doorbell chime, and thermostat. upon large projects symbols may be numbered to show, for example, the panel board and circuit to which the device connects, and then to identify which of several types of fixture are to be installed at that location.

subaru sti wiring diagram blog wiring diagram
subaru sti wiring diagram blog wiring diagram
A set of wiring diagrams may be required by the electrical inspection authority to take on board association of the residence to the public electrical supply system.
Wiring diagrams will in addition to combine panel schedules for circuit breaker panelboards, and riser diagrams for special facilities such as ember alarm or closed circuit television or further special services.
You Might Also Like :
[gembloong_related_posts count=3]
2004 subaru impreza stereo wiring diagram another picture:

ns 8603 nissan micra k11 indicator wiring diagram
subaru sti wiring diagram blog wiring diagram
subaru sti wiring diagram blog wiring diagram
2004 subaru impreza car radio wiring guide modifiedlife always verify all wires wire colors and diagrams before applying any information found here to your 2004 subaru impreza if you can t find your car radio wiring diagram factory radio wire colors or stereo wire diagram on modified life please feel free to post a car wiring diagram request radio wiring diagram request page and we ll do our best to find you the information you need for 2004 impreza service manual quick reference index wiring 2004 impreza service manual quick reference index wiring system section this service manual has been prepared to provide subaru service personnel with the necessary information and data for the correct maintenance and repair of subaru vehicles this manual includes the procedures for maintenance disassembling reas sembling inspection and adjustment of components and diagnostics for guid 2004 impreza service manual quick reference index wiring 2004 impreza service manual quick reference index wiring system section this service manual has been prepared to provide subaru service personnel with the necessary information and data for the correct maintenance and repair of subaru vehicles this manual includes the procedures for maintenance disassembling reas sembling inspection and adjustment of components and diagnostics for guid subaru impreza ignition wiring diagram autocardesign subaru impreza ignition wiring diagram pljx wiring diagram wiring diagram it shows the components of the circuit as simplified shapes and the capacity and signal links between the devices a wiring diagram usually gives opinion about the relative aim and treaty of devices and terminals on the devices to encourage in building or servicing the device subaru impreza 1992 2000 service manual wiring diagram 1999 subaru impreza wrx sti version 6 96k s 4wd turbo manual for sale vancouver bc canada duration 9 10 vancouver velocity cars 26 211 views subaru wiring diagram color codes chanish org subaru forester wiring harness diagram 2011 impressive stereo diagrams inspirational w 2007 impreza headlight liberty outback valid legacy loyale mcintosh 2002 wrx sensor smart o interesting map how to my pro street 1 no wir radio new elegant f 2004 crosstrek trailer and as well brumby wire center relay info needed of wirin 2012 oxygen data schema parts pdf together with table contents tabl subaru car radio stereo audio wiring diagram autoradio subaru car radio stereo audio wiring diagram autoradio connector wire installation schematic schema esquema de conexiones stecker konektor connecteur cable shema car stereo harness wire speaker pinout connectors power how to install subaru car radio wiring diagrams car radio wire diagram gm radio wiring diagram car s car radio wiring car radio wiring colors car radio wire car radio subaru wrx radio harness pin out ae64 com wiring pin out table of the radio connector in the subaru impreza wrx and other recent model subarus subaru impreza wrx receiver wiring harness version 2 7 by david carter 2 5 receiver wiring 2 5 1 wrx radio connector pin out the table below was compiled from all of the subaru radio wiring diagrams from 1993 2008 model years 2008 2010 with navigation also use the same connector and pin subaru radio and radio wiring harness information ae64 com subaru car radio wiring pin outs and information and wiring harnesses for sale ae64 com svxdc s web site subaru radio and radio wiring harness information subaru radio harness pin out tables wire color codes 2012 up models with fujitsu ten navigation and some other recent models impreza wrx sti forester crosstrek brz and legacy liberty outback toyota style 10 and 6 pin harnesses

















