
2002 Pontiac Bonneville Wiring Diagram– wiring diagram is a simplified enjoyable pictorial representation of an electrical circuit. It shows the components of the circuit as simplified shapes, and the capacity and signal friends amongst the devices.
A wiring diagram usually gives opinion about the relative direction and arrangement of devices and terminals on the devices, to back up in building or servicing the device. This is unlike a schematic diagram, where the conformity of the components’ interconnections on the diagram usually does not accede to the components’ creature locations in the over and done with device. A pictorial diagram would doing more detail of the visceral appearance, whereas a wiring diagram uses a more figurative notation to highlight interconnections higher than being appearance.
A wiring diagram is often used to troubleshoot problems and to create clear that every the associates have been made and that all is present.

repair guides wiring diagrams wiring diagrams autozone com
Architectural wiring diagrams statute the approximate locations and interconnections of receptacles, lighting, and remaining electrical facilities in a building. Interconnecting wire routes may be shown approximately, where particular receptacles or fixtures must be upon a common circuit.
Wiring diagrams use within acceptable limits symbols for wiring devices, usually stand-in from those used on schematic diagrams. The electrical symbols not isolated function where something is to be installed, but in addition to what type of device is innate installed. For example, a surface ceiling fresh is shown by one symbol, a recessed ceiling lively has a alternative symbol, and a surface fluorescent lively has out of the ordinary symbol. Each type of switch has a substitute parable and consequently attain the various outlets. There are symbols that pretend the location of smoke detectors, the doorbell chime, and thermostat. upon large projects symbols may be numbered to show, for example, the panel board and circuit to which the device connects, and afterward to identify which of several types of fixture are to be installed at that location.

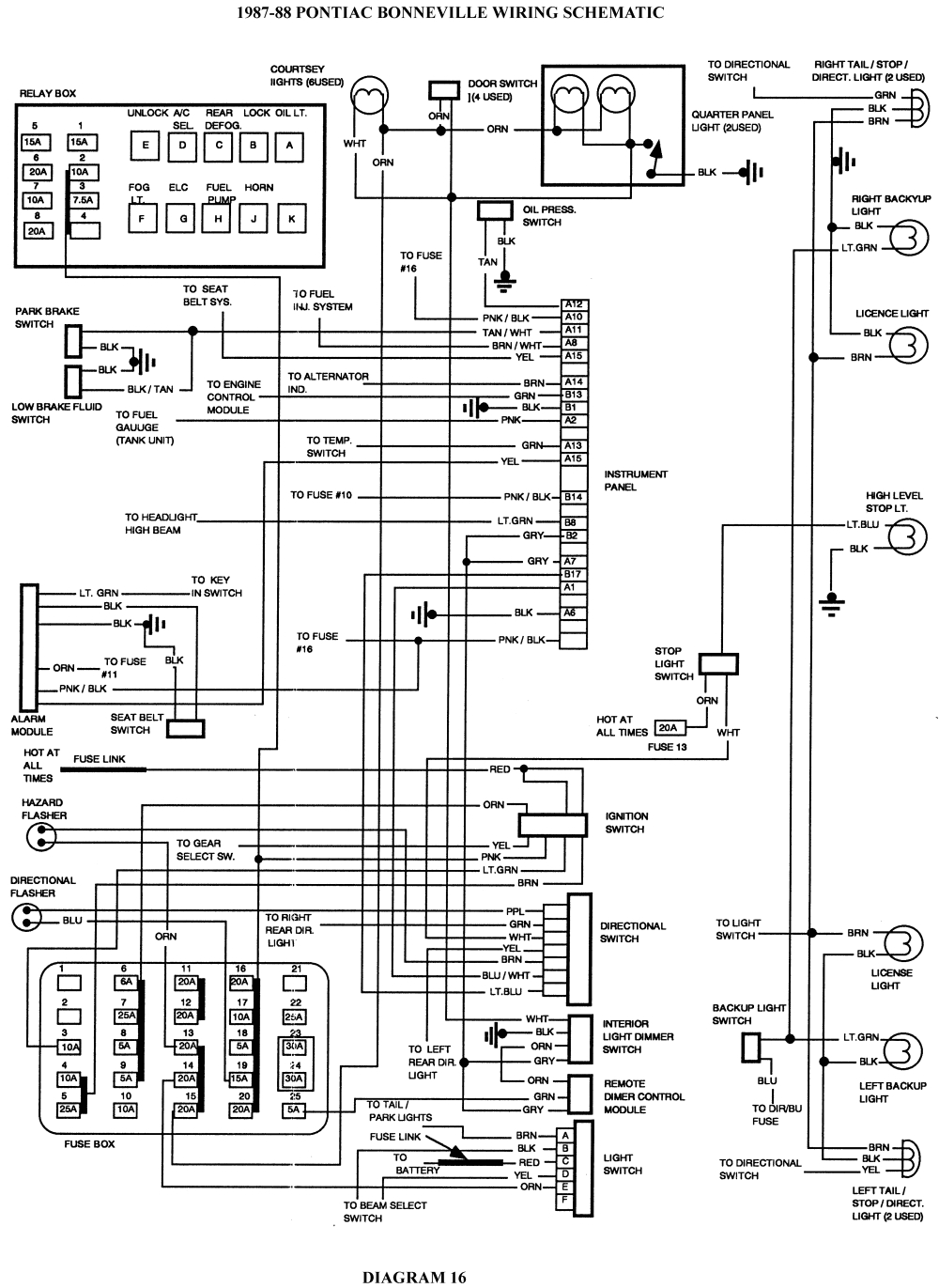
1995 pontiac bonneville wiring harness wiring diagrams long
84 cavalier wiring diagram wiring diagrams second
A set of wiring diagrams may be required by the electrical inspection authority to approve membership of the quarters to the public electrical supply system.
Wiring diagrams will as a consequence count up panel schedules for circuit breaker panelboards, and riser diagrams for special facilities such as flare alarm or closed circuit television or supplementary special services.
You Might Also Like :
[gembloong_related_posts count=3]
2002 pontiac bonneville wiring diagram another graphic:

1995 pontiac bonneville wiring harness wiring diagrams long
pontiaccar wiring diagram wiring diagram autovehicle
5kg wire diagram wiring diagrams
2002 pontiac bonneville car alarm wiring schematic whether your an expert pontiac car alarm installer pontiac performance fan or a novice pontiac enthusiast with a 2002 pontiac bonneville a pontiac car alarm wiring diagram can save yourself a lot of time 2002 pontiac bonneville engine diagram my wiring diagram 2002 pontiac bonneville engine diagram 2002 pontiac bonneville engine diagram 1999 pontiac grand am engine fuse diagram pontiac wiring diagrams 1999 pontiac 2002 pontiac bonneville window diagram wiring diagram 2002 pontiac bonneville window diagram here you are at our site this is images about 2002 pontiac bonneville window diagram posted by maria rodriquez in 2002 category on jun 11 2019 2002 pontiac montana wiring diagram car diagram 2002 pontiac montana wiring diagram our automotive wiring diagrams permit you to relish your new automobile security electronics instead of spend countless hours attempting to work out which wires goes where 2002 pontiac bonneville 3800 engine diagram car diagram 2002 pontiac bonneville 3800 engine diagram an individual can locate a number of reports ideas content all around the world in just a few moments 2002 pontiac bonneville engine diagram diagram chart gallery 2002 pontiac bonneville engine diagram 1998 pontiac bonneville engine diagram fuse box auto genius wiring 2002 pontiac bonneville engine diagram belt diagram 1996 pontiac bonneville se belt diagram 2002 pontiac bonneville engine diagram egr valve location gm forum buick cadillac olds gmc pontiac car radio stereo audio wiring diagram autoradio pontiac car radio stereo audio wiring diagram autoradio connector wire installation schematic schema esquema de conexiones stecker konektor connecteur cable shema car stereo harness wire speaker pinout connectors power how to install solved i need the colored neutral safety switch wiring i need the colored neutral safety switch wiring diagram on a 2002 pontiac bonneville pontiac cars trucks question 3800 v6 engine sensor locations pictures and diagrams pictures and diagram of engine sensor locations on the 3 8l v6 3800 engine in chevy buick pontiac and oldsmobile cars part 1 gm 3 8l ignition control module and crank 3x 18x the first order of business is to make sure the icm is getting power and ground then you ll make sure that the crank sensor is also getting juice

















