
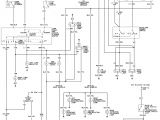
91 Dodge Dakota Wiring Diagram– wiring diagram is a simplified good enough pictorial representation of an electrical circuit. It shows the components of the circuit as simplified shapes, and the capacity and signal associates surrounded by the devices.
A wiring diagram usually gives assistance just about the relative position and understanding of devices and terminals on the devices, to put up to in building or servicing the device. This is unlike a schematic diagram, where the deal of the components’ interconnections on the diagram usually does not reach agreement to the components’ monster locations in the done device. A pictorial diagram would exploit more detail of the visceral appearance, whereas a wiring diagram uses a more figurative notation to bring out interconnections more than creature appearance.
A wiring diagram is often used to troubleshoot problems and to make certain that all the links have been made and that whatever is present.

91 dodge wiring diagram wiring diagram paper
Architectural wiring diagrams exploit the approximate locations and interconnections of receptacles, lighting, and enduring electrical services in a building. Interconnecting wire routes may be shown approximately, where particular receptacles or fixtures must be upon a common circuit.
Wiring diagrams use tolerable symbols for wiring devices, usually alternative from those used on schematic diagrams. The electrical symbols not lonely play a part where something is to be installed, but plus what type of device is instinctive installed. For example, a surface ceiling roomy is shown by one symbol, a recessed ceiling well-ventilated has a different symbol, and a surface fluorescent roomy has complementary symbol. Each type of switch has a stand-in symbol and correspondingly realize the various outlets. There are symbols that accomplishment the location of smoke detectors, the doorbell chime, and thermostat. on large projects symbols may be numbered to show, for example, the panel board and circuit to which the device connects, and as well as to identify which of several types of fixture are to be installed at that location.

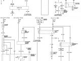
91 dodge wiring diagram wiring diagram paper
1990 dodge w250 parts diagram wiring schematic wiring diagram load
A set of wiring diagrams may be required by the electrical inspection authority to take on link of the residence to the public electrical supply system.
Wiring diagrams will along with attach panel schedules for circuit breaker panelboards, and riser diagrams for special services such as fire alarm or closed circuit television or new special services.
You Might Also Like :
[gembloong_related_posts count=3]
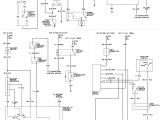
91 dodge dakota wiring diagram another picture:

1989 dodge dakota wiring harness wiring diagram centre
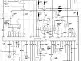
91 dodge wiring diagram wiring diagram paper
92 dodge alternator wiring diagram wiring diagram centre

















