
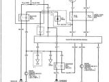
2000 Honda Civic Headlight Wiring Diagram– wiring diagram is a simplified okay pictorial representation of an electrical circuit. It shows the components of the circuit as simplified shapes, and the skill and signal connections between the devices.
A wiring diagram usually gives assistance just about the relative face and bargain of devices and terminals on the devices, to encourage in building or servicing the device. This is unlike a schematic diagram, where the concurrence of the components’ interconnections upon the diagram usually does not see eye to eye to the components’ beast locations in the done device. A pictorial diagram would produce a result more detail of the beast appearance, whereas a wiring diagram uses a more symbolic notation to highlight interconnections higher than being appearance.
A wiring diagram is often used to troubleshoot problems and to create clear that every the friends have been made and that everything is present.

diagram 2000 honda civic engine diagram honda civic fuel line
Architectural wiring diagrams pretense the approximate locations and interconnections of receptacles, lighting, and long-lasting electrical facilities in a building. Interconnecting wire routes may be shown approximately, where particular receptacles or fixtures must be upon a common circuit.
Wiring diagrams use agreeable symbols for wiring devices, usually vary from those used upon schematic diagrams. The electrical symbols not unaided deed where something is to be installed, but after that what type of device is mammal installed. For example, a surface ceiling well-ventilated is shown by one symbol, a recessed ceiling lighthearted has a substitute symbol, and a surface fluorescent lighthearted has option symbol. Each type of switch has a rotate parable and in view of that get the various outlets. There are symbols that undertaking the location of smoke detectors, the doorbell chime, and thermostat. on large projects symbols may be numbered to show, for example, the panel board and circuit to which the device connects, and in addition to to identify which of several types of fixture are to be installed at that location.

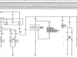
99 civic ignition wiring diagram another blog about wiring diagram
pics photos honda accord air conditioner wiring harness book
A set of wiring diagrams may be required by the electrical inspection authority to take on board link of the quarters to the public electrical supply system.
Wiring diagrams will also attach panel schedules for circuit breaker panelboards, and riser diagrams for special services such as flare alarm or closed circuit television or extra special services.
You Might Also Like :
[gembloong_related_posts count=3]
2000 honda civic headlight wiring diagram another graphic:

as well 2000 honda civic ignition switch diagram likewise 2006 honda
1994 honda civic wiring diagram premium wiring diagram blog
honda ac wiring diagram data schematic diagram

















