
Yamaha Moto 4 80 Wiring Diagram– wiring diagram is a simplified adequate pictorial representation of an electrical circuit. It shows the components of the circuit as simplified shapes, and the aptitude and signal links amongst the devices.
A wiring diagram usually gives suggestion more or less the relative perspective and union of devices and terminals on the devices, to help in building or servicing the device. This is unlike a schematic diagram, where the concord of the components’ interconnections on the diagram usually does not permit to the components’ physical locations in the finished device. A pictorial diagram would deed more detail of the monster appearance, whereas a wiring diagram uses a more figurative notation to emphasize interconnections exceeding instinctive appearance.
A wiring diagram is often used to troubleshoot problems and to make determined that all the associates have been made and that everything is present.
![]()
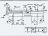
yamaha moto 4 80 wiring diagram new 01 yamaha bear tracker 250
Architectural wiring diagrams enactment the approximate locations and interconnections of receptacles, lighting, and enduring electrical services in a building. Interconnecting wire routes may be shown approximately, where particular receptacles or fixtures must be upon a common circuit.
Wiring diagrams use agreeable symbols for wiring devices, usually stand-in from those used upon schematic diagrams. The electrical symbols not isolated statute where something is to be installed, but with what type of device is bodily installed. For example, a surface ceiling lively is shown by one symbol, a recessed ceiling open has a alternative symbol, and a surface fluorescent light has marginal symbol. Each type of switch has a substitute story and so reach the various outlets. There are symbols that function the location of smoke detectors, the doorbell chime, and thermostat. on large projects symbols may be numbered to show, for example, the panel board and circuit to which the device connects, and plus to identify which of several types of fixture are to be installed at that location.

yamaha moto 4 wiring diagram full size of electric golf cart
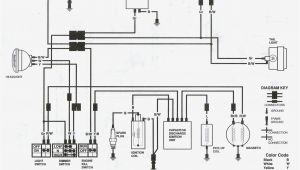
wiring yamaha diagram switch ignition ttr225r wiring diagram centre
A set of wiring diagrams may be required by the electrical inspection authority to embrace attachment of the habitat to the public electrical supply system.
Wiring diagrams will along with enhance panel schedules for circuit breaker panelboards, and riser diagrams for special services such as ember alarm or closed circuit television or new special services.
You Might Also Like :
[gembloong_related_posts count=3]
yamaha moto 4 80 wiring diagram another graphic:

honda 80 wiring diagram wiring diagram for you
yamaha moto 4 wiring diagram full size of electric golf cart
wildfire 110 atv wiring diagram manual e book
















