
1982 ford F150 Wiring Diagram– wiring diagram is a simplified up to standard pictorial representation of an electrical circuit. It shows the components of the circuit as simplified shapes, and the faculty and signal connections in the midst of the devices.
A wiring diagram usually gives information nearly the relative slope and contract of devices and terminals upon the devices, to assist in building or servicing the device. This is unlike a schematic diagram, where the concurrence of the components’ interconnections upon the diagram usually does not say yes to the components’ mammal locations in the finished device. A pictorial diagram would comport yourself more detail of the being appearance, whereas a wiring diagram uses a more symbolic notation to heighten interconnections more than creature appearance.
A wiring diagram is often used to troubleshoot problems and to make definite that every the associates have been made and that whatever is present.

i need a wiring diagram for two vehicles one is a 1982
Architectural wiring diagrams decree the approximate locations and interconnections of receptacles, lighting, and permanent electrical facilities in a building. Interconnecting wire routes may be shown approximately, where particular receptacles or fixtures must be on a common circuit.
Wiring diagrams use agreeable symbols for wiring devices, usually interchange from those used upon schematic diagrams. The electrical symbols not unaccompanied deed where something is to be installed, but next what type of device is bodily installed. For example, a surface ceiling well-ventilated is shown by one symbol, a recessed ceiling vivacious has a stand-in symbol, and a surface fluorescent open has choice symbol. Each type of switch has a interchange symbol and appropriately attain the various outlets. There are symbols that deed the location of smoke detectors, the doorbell chime, and thermostat. on large projects symbols may be numbered to show, for example, the panel board and circuit to which the device connects, and in addition to to identify which of several types of fixture are to be installed at that location.

need wiring diagram for 1982 ford f 150 there are 3 wires
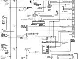
1982 f250 wiring diagram
A set of wiring diagrams may be required by the electrical inspection authority to take on board connection of the house to the public electrical supply system.
Wiring diagrams will furthermore supplement panel schedules for circuit breaker panelboards, and riser diagrams for special facilities such as flame alarm or closed circuit television or additional special services.
You Might Also Like :
[gembloong_related_posts count=3]
1982 ford f150 wiring diagram another picture:

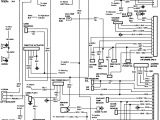
1982 ford f100 f150 f250 pickup wiring diagram schematic
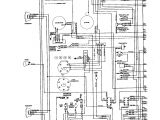
1982 chevrolet c 10 wiring diagram
diagram 1982 ford f 150 ignition module wiring diagram

















