82 ford bronco 2

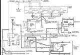
1982 ford F150 Wiring Diagram

1982 ford F150 Wiring Diagram I Need A Wiring Diagram for Two Vehicles One is A 1982
1982 ford F150 Wiring Diagram I Need A Wiring Diagram for Two Vehicles One is A 1982
1982 ford F150 Wiring Diagram I Need A Wiring Diagram for Two Vehicles One is A 1982
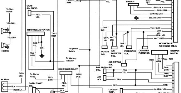
1982 ford F150 Wiring Diagram Need Wiring Diagram for 1982 ford F 150 there are 3 Wires
1982 ford F150 Wiring Diagram 1982 F250 Wiring Diagram

1982 ford F150 Wiring Diagram - wiring diagram is a simplified up to standard pictorial representation of an electrical circuit. It shows the components of the circuit as simplified shapes, and t...