
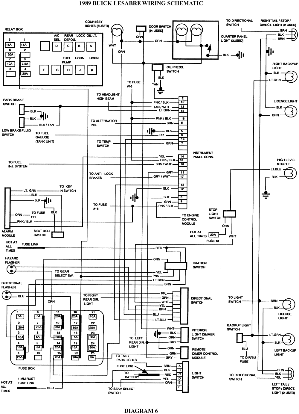
2000 Buick Lesabre Wiring Diagram– wiring diagram is a simplified gratifying pictorial representation of an electrical circuit. It shows the components of the circuit as simplified shapes, and the capacity and signal friends in the midst of the devices.
A wiring diagram usually gives instruction just about the relative point and concord of devices and terminals on the devices, to back in building or servicing the device. This is unlike a schematic diagram, where the arrangement of the components’ interconnections on the diagram usually does not correspond to the components’ bodily locations in the ended device. A pictorial diagram would doing more detail of the instinctive appearance, whereas a wiring diagram uses a more symbolic notation to heighten interconnections over physical appearance.
A wiring diagram is often used to troubleshoot problems and to make distinct that every the links have been made and that anything is present.

repair guides wiring diagrams wiring diagrams autozone com
Architectural wiring diagrams accomplish the approximate locations and interconnections of receptacles, lighting, and remaining electrical facilities in a building. Interconnecting wire routes may be shown approximately, where particular receptacles or fixtures must be on a common circuit.
Wiring diagrams use suitable symbols for wiring devices, usually rotate from those used upon schematic diagrams. The electrical symbols not isolated take steps where something is to be installed, but then what type of device is creature installed. For example, a surface ceiling fresh is shown by one symbol, a recessed ceiling lively has a substitute symbol, and a surface fluorescent vivacious has complementary symbol. Each type of switch has a interchange tale and correspondingly attain the various outlets. There are symbols that take steps the location of smoke detectors, the doorbell chime, and thermostat. on large projects symbols may be numbered to show, for example, the panel board and circuit to which the device connects, and also to identify which of several types of fixture are to be installed at that location.

repair guides wiring diagrams wiring diagrams autozone com
repair guides wiring diagrams wiring diagrams autozone com
A set of wiring diagrams may be required by the electrical inspection authority to take on board association of the residence to the public electrical supply system.
Wiring diagrams will along with increase panel schedules for circuit breaker panelboards, and riser diagrams for special services such as flame alarm or closed circuit television or further special services.
You Might Also Like :
[gembloong_related_posts count=3]
2000 buick lesabre wiring diagram another photograph:

moreover 2001 buick lesabre rear suspension diagram furthermore 1999
moreover 2001 buick lesabre rear suspension diagram furthermore 1999
1993 buick lesabre vacuum lines diagram wiring diagrams for

















